1. 서 론
일반적으로 지하 구조물은 지상 구조물에 비해 지진에 의한 피해에 상대적으로 안전한 것으로 알려져 있다(Dowding and Rozan, 1978). 그러나 일정 규모를 초과하는 강진 시에는 지하 구조물 역시 심각한 구조적 손상을 피할 수 없다(Hashash et al., 2001). 지진에 의해 터널에 발생하는 다양한 피해 양상은 기존의 여러 사례를 통해 조사되어 왔다(Dowding and Rozan, 1978; Hashash et al., 2001; Owen and Scholl, 1981; Sharma and Judd, 1991; Wang, 1985). Nakamura et al. (1996)은 1995년 일본 Kobe 대지진에 의해 발생한 Daikai 지하철역 피해에 대해 면밀한 조사를 수행한 바 있으며, Wang et al. (2001)은 1999년 대만 Chi-Chi 지진에 의한 산악 터널의 피해를 분석, 평가하였다. 또한 Wang and Zhang (2013)은 2008년 티베트 Wenchen 지진 시 발생한 산악 터널의 피해 양상을 분류, 평가하였다. 이처럼 현대 도시 기능에서 중요한 역할을 하고 있는 지하 구조물에 대한 정확한 내진 성능 평가는 매우 중요하다.
지하 구조물은 주변 지반에 완전히 둘러 쌓여 있어 자유 진동이 불가능하므로 구조물의 거동은 지반 운동을 따르게 된다. 따라서 지중 터널에서는 1 차원 지반응답에 의해 계산된 수평변위를 적용한 유사정적 해석이 널리 사용되고 있다. 이때 터널과 지반과의 동적 상호 작용은 무시된다. 연직으로 전달되는 전단파에 의한 터널의 응답 해석해(analytical solution)는 여러 연구(Bobet, 2003; Hashash et al., 2001; Huo et al., 2006; Park et al., 2009; Penzien, 2000; Wang, 1993)를 통해 제안되었다. 또한 유사정적 수치해석도 널리 적용되고 있다(Hashash et al., 2001; Hashash et al., 2005; Wang, 1993). 지하 구조물과 지반의 상호 작용을 모사하기 위한 동적 해석 역시 광범위하게 적용되고 있다. Hashash et al. (2010)은 유연도비(flexibility ratio)의 범위가 1~12인 박스형 구조물의 유사정적 방법과 동적 해석법의 결과를 비교하였는데, 단일 박스형 구조물의 경우 두 결과가 거의 일치함을 보였고 이중 박스 구조물의 경우 그 차이가 최대 25% 정도 발생함을 확인하였다. Argyroudis and Pitilakis (2012)도 유사한 연구를 수행하였으며 유사정적 기법과 동적 해석에 의한 결과에 유의미한 차이가 나타나지 않아 지하 터널 구조물의 응답 계산에는 유사정적 해석만으로도 충분한 정확도를 확보할 수 있음을 보였다.
탄성 해석의 한계를 극복하기 위해 지하 구조물 해석에 비선형 모형을 적용한 여러 연구도 진행되고 있다. Liu and Liu (2008)는 1995년 Kobe 대지진에 의한 Daikai 지하철역 붕괴 메커니즘을 비탄성 유한요소를 적용한 pushover 해석으로 규명하였다. 이 연구에서 이중 박스 내부 기둥에서 나타나는 소성 힌지의 발달이 기둥과 상판의 파괴를 불러와 결국 터널의 붕괴가 발생했음을 보였다. Andreotti et al. (2013)은 말발굽 형태의 터널에 유한차분 기법을 적용한 유사정적 해석을 수행하였다. 6 개의 소성 힌지를 갖는 탄성 보로 터널 라이닝을 모사하여 소성 힌지의 개수에 의해 손상 상태를 정의하였다. 하지만 이 수치 모형은 소성 힌지의 위치를 임의로 지정하였으므로 지진 변형에 따른 소성 힌지의 전파를 정확히 사실적으로 모사할 수 없다.
전술한 바와 같이 대부분의 기존 연구는 특정 부지와 터널에 대한 해석을 다루고 있다. 하지만 성능 기반 설계를 위해서는 다양한 지반 조건에 대한 해석이 필요하다. 또한, 대표적 손상 상태와 이에 관련된 정량적 지수화가 필요하다. Argyroudis and Pitilakis (2012)는 원형 및 사각형 터널에 대해 minor/slight, moderate, extensive, collapse로 구분한 4 단계의 손상 상태를 제안하고, 각 손상 상태를 탄성 모멘트(
)와 저항 설계 모멘트(
)의 비로 정의되는 손상 지수(damage index, DI)와 연계하였다. 지상 구조물에 대한 손상 상태와 그에 대한 지수는 비교적 상세히 정의되어 있으나 그에 비해 지하 구조물의 경우에는 그 기준이 아직 미비한 실정이다. 위의 연구는 처음으로 터널에 대한 손상 상태와 손상 지수를 제시하였다는 점에서 큰 의의가 있다. 하지만 비탄성 해석을 수행하지 않았으며 DI(
)는 명확한 공학적 근거 없이 가정되었기에 이의 적용성에 대한 추가적인 검토가 필요하다고 판단된다.
본 연구에서는 지진 하중 재하 시 박스형 개착식 터널의 손상 상태을 규명하기 위한 해석을 수행하였다. 이를 위해 유사정적 비탄성 프레임 모델을 적용하였으며, 파괴 메커니즘을 검토하여 손상 상태를 새롭게 제안하였다. 터널은 소성 힌지의 형성과 발달을 모의하기 위하여 비선형 보-기둥 요소로 모형화하였다. 나아가 손상 상태에 상응하는 손상 지수를 새롭게 제시하였다.
2. 부지 조건과 터널 단면
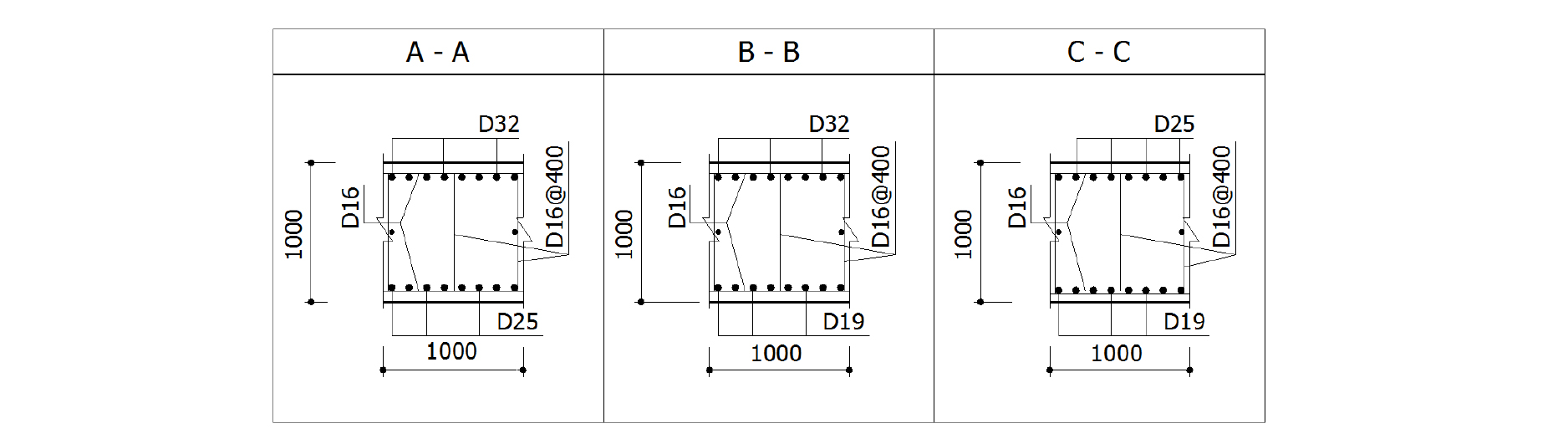
본 연구에서 사용한 사각형 터널의 단면 제원을 Fig. 1에 도시하였다. 해석의 편의를 위해 터널은 단일 지반층에 위치한 것으로 가정하였고, 상부 토층의 두께는 7 m이다. 터널의 높이와 폭은 모두 7 m이며 상, 하판 및 측벽의 두께는 각각 1 m이다. 철근을 포함한 각 구조 부재의 상세 단면은 Fig. 2와 같다. 콘크리트의 공칭 강도(
)는 27.5 MPa, 철근의 공칭 항복 강도(
)는 413 MPa을 적용하였다.
3. 수치 모형
박스형 터널의 성능 평가를 위하여 유사정적 해석을 수행하였다. 전절에서 전술한 바와 같이 지하 구조물의 경우 유사정적 해석과 동적 해석의 결과에 유의미한 차이가 나타나지 않으므로 본 연구에서는 동적 해석을 수행하지 않았다. 또한 프레임 해석 시 적절히 선정된 스프링 계수를 사용한다면 연속체 해석과 현저한 차이를 보이지 않으므로(Chang et al., 2014) 연속체 해석 대신 계산 상 보다 효율적인 프레임 해석을 적용하였다. 또한, 전단 변형이 지진 시 사각형 터널의 변형 형태 중 가장 위험한 경우이므로 이를 모사하였다. 터널의 프레임 유한요소해석은 상용 프로그램인 SAP2000 (ver.15)을 이용하였다. 터널의 상판, 하판, 측벽의 각 부재는 64 개의 프레임 요소로 모형화 하였으며, 터널 각각의 모서리 부분에서는 부재 간 접합으로 인한 강성 증가를 고려하기 위하여 joint-offset 기능을 사용하였다. 또한, 터널의 비선형 거동과 더불어 각 부재의 길이 방향을 따라 발생하는 소성화의 진행을 해석하기 위하여 모든 프레임 요소에 소성 힌지 모형을 적용하였다. 이 때 소성 힌지의 거동은 비선형 모멘트-곡률 관계를 나타내는 단면 모형을 따르게 된다. 비선형 단면 모형은 비선형 재료 모형을 이용해 각각의 단면 해석을 통해 결정된다. 콘크리트와 강화 철근의 거동은 Fig. 3에 보인 바와 같은 비선형 응력-변형률 관계를 따른다. 이때 콘크리트와 철근의 탄성계수는 각각 24.8 GPa과 200 GPa을 적용하였다. Fig. 4에 단면 A-A의 모멘트-곡률 관계를 도시하였다.
터널 주변 지반은 지반-터널 간의 상호 작용을 고려하기 위해 일련의 수직, 전단 스프링으로 모형화 하였다. 각각의 스프링 계수는 도시철도 내진설계 기준(MLTM, 2009)에 정해진 절차를 따라 계산하였다. 먼저 측벽에 대한 수평 지반반력계수(
)와 상, 하판에 대한 연직 지반반력계수(
)는 각각 다음과 같이 구해진다.
(1)
(2)
여기서
는 직경 30 cm의 강체 원판에 의한 평판 재하시험의 값에 상당하는 수평 지반반력계수로서
의 식으로 구할 수 있다. 이때
는 대상 지반의 탄성계수이다. 또한,
와
는 각각 터널의 높이와 폭이다. 측벽에 대한 전단 지반반력계수(
)와 상, 하판에 대한 전단 지반반력계수(
)는 아래와 같다.
(3)
(4)
본 연구에서 사용한 유사정적 해석 과정은 Iai (2005)의 지침을 따라서 모델링하였다. Fig. 5에 해석에 사용한 경계조건, 작용 하중, 변위 등에 대한 개략적 형태가 도시되어 있다. 먼저 토압에 의한 힘을 수직 스프링에 적용하고, 다음으로 자유장 지반 변위를 수직 스프링에 적용한다. 상판의 변형은 전단 스프링에 적용하고, 지반 경계에서 발생하는 전단응력은 구조물에 직접 적용한다. 본 연구에서 지하수위는 고려하지 않았으며, 흙의 단위중량과 정지토압계수(K0)는 일반적인 값인 17 kN/m3과 0.5를 각각 사용하였다.
일반적으로 유사정적 해석에서는 자유장 전단 변형률과 수평 변위를 구하기 위해 1 차원 지반 응답 해석을 수행한다. 본 연구에서는 터널 높이에 걸쳐서 전단 변형률이 일정한 것으로 가정했으며 따라서 깊이에 따라 선형적으로 감소하는 역삼각형 형태의 수평 변위를 적용하였다. Pushover 해석이라고도 불리는 비선형 정적 해석을 위해서는 연속적으로 증가하는 변형을 가하게 된다. Pushover 해석을 통해서 전단력-전단 변형 곡선, 소성 힌지의 형성, 휨모멘트 분포의 변화 등을 파악할 수 있다. 또한 지반 강성의 차이에 따른 변화를 분석하기 위해서 각각 100, 200, 300, 400 m/s의 전단파 속도를 갖는 지반 조건에 대해 해석하였다. 각각의 조건에서 전단탄성계수는 전단파 속도를 이용한 다음의 식으로 산정하여 적용하였다.
(5)
각각의 지반 조건에 대한 전단탄성계수(
), 포아송비(ν), 식 (1)~(4) 를 통해 산정된 지반반력계수 등의 해석에 필요한 입력값을 Table 1에 정리하였다.
4. 해석 결과
본 절에서는 터널의 비선형 거동 해석 결과에 대해 자세히 기술하였다. 검토 내용은 소성 힌지의 형성과 발달, 파괴 메커니즘, 탄성 해석과의 비교 결과 등이다.
4.1 터널의 성능 곡선
성능 곡선은 힘-변형 관계 곡선으로 표현된다. 구조 시스템의 경우 전단력과 변위의 관계를 사용하는 것이 일반적이다. 이러한 성능 곡선은 구조물의 강도 성능과 연성을 평가하는데 매우 유용한 도구이다. 본 연구에서의 성능 곡선은 터널 저면에서의 힘(총 수평력)과 자유장 전단 변형률 간의 관계로 표현하였다.
Fig. 6은 전단파 속도가 다른 각각의 지반 조건에 대한 터널의 성능 곡선을 나타내며, 전단파 속도가 작을수록 터널에 발생하는 자유장 전단 변형률이 증가하는 것을 알 수 있다. 이는 터널의 강체 회전과 지반 스프링의 저항 때문인 것으로 판단된다. 연약한 지반일수록 터널에서 보다 큰 강체 회전이 발생하여 동일한 전단력 재하 시에도 상대적으로 매우 큰 전단 변형이 발생하였다. 반대로 단단한 지반일수록 강체 회전이 제한되며 작은 전단 변형에서 소성 거동이 시작하는 것을 확인할 수 있다.
각 지반 조건에 대한 성능 곡선과 소성 힌지의 형성 상태를 Fig. 7에 도시하였다. 그림에서 터널의 모서리 부분에 표시되어 있는 기호가 소성 힌지를 나타낸다. 지상 구조물은 모서리 네 지점에서 소성 힌지가 발생할 경우 붕괴되지만, Fig. 7에 나타난 바와 같이 터널은 4 개의 소성 힌지가 형성된 후에도 붕괴가 발생하지 않는다. 즉, 터널 단독으로는 구조적 관점에서 불안정 상태인 경우라 할지라도 주변 지반의 지지력으로 인해 붕괴에 이르지 않는다는 것을 알 수 있다. 터널에서 발생하는 소성 힌지의 형성 과정도 Fig. 7에 도시하였다. 이 그림에서 확인할 수 있듯이 지반 조건에 따라 소성 힌지의 형성 과정에 차이를 보이고 있다. 모든 경우에 좌측 하단 모서리에서 최초, 좌측 상단에서 4 번째 소성 힌지가 생성되었다. 전단파 속도에 따라서 2 번째 및 3 번째 힌지의 생성 순서는 상이한 것으로 나타났다.
4.2 손상 상태 및 DI 규명
손상 상태는 시설의 손상 조건과 그와 관련된 한계 상태 응답을 의미하며, 일반적으로 DI로 표현한다. 본 절에서는 개착식 터널의 손상 상태와 손상 지수를 제시하였다. 손상 수준을 판단하는 척도로써 소성 힌지의 개수(number of plastic hinges, NPH)를 적용하였다. 이는 박스형 터널 구조물에서 손상의 누적 상태를 가장 적절히 예측할 수 있는 지표이기 때문이다. 개착식 터널의 손상 상태는 minor/slight, moderate, extensive의 3 단계로 분류하였다. 박스형 터널에서 소성 힌지의 형성에 의한 붕괴는 거의 발생하지 않으므로 붕괴 손상 상태는 정의하지 않았다. Minor/slight 상태는 NPH가 1 이상 2 미만으로 정의하였으며, moderate 상태는 2 이상 3 미만, 그리고 extensive 손상 상태는 3 이상으로 정의하였다.
비탄성 해석은 성능 기반 내진 설계에 있어서 필수적인 단계별 구조물 손상 정도의 파악이 가능하다는 장점을 가지고 있다. 하지만 실무에서 터널의 지진 응답 결정 시 비탄성 해석이 널리 사용되지 않는 근본적인 이유는 해석 수행 자체가 매우 어렵고 복잡하기 때문이다. 만약 탄성 해석을 통해 계산된 탄성 모멘트로부터 손상 수준을 예측할 수 있다면 실무에 매우 유용하게 사용될 수 있을 것이다. 본 연구에서는 비탄성 해석에 상응하는 탄성 해석을 병행하여 터널 구조물에서 발생하는 모멘트를 계산하였다. 해석에서 얻어진 탄성 모멘트와 항복 모멘트(
)의 비를 구하여 이를 DI로 정의하였다. 본 연구에서 제안한 손상 지수는 Argyroudis and Pitilakis (2012)가 제안한 DI(
)와 유사한 형태이다. DI(
)는 우측 상단 모서리의 소성힌지에서 계산하였다. 모든 손상 해석에서 구조물에 새로운 소성 힌지가 발생할 때마다 DI의 값을 기록하였다. Fig. 8에 여러 지반 조건과 전단 변형률의 변화에 따른 DI를 도시하였다. 자유장 전단 변형률은 시각적 편의를 위하여 대수 축을 사용하였다. 본 연구에서 정의한 손상 상태, NPH와 그에 대응하는 손상 지수는 Table 2에 정리하였다.
Minor/slight, moderate, extensive의 3 단계로 분류된 손상 상태는 NPH가 증가할 때마다 그 단계가 바뀌게 된다. DI의 경우 지반 강성과는 거의 무관한 것으로 나타났다. Minor/slight 손상 상태의 DI 범위는 1.0~1.4였으며, moderate 상태의 경우 1.4~2.3, extensive 상태는 DI가 2.3을 초과할 때 발생하는 것으로 나타났다. 일반적인 철근 콘크리트 구조물의 설계에서 성능의 불확실성을 고려하기 위해
가 아닌
가 사용된다.
를 사용할 경우, 예측된 손상 상태는
를 적용하는 것에 비하여 보수적이게 된다. 하지만 본 연구에서 제시된 DI를 사용하는 경우에도 현재 설계에 적용되는
<1의 기준에 비해 매우 경제적인 예측임을 강조하고자 한다. Table 2에 정리된 손상 상태와 그에 대응하는 DI는 성능 기반 설계에 의한 개착식 터널의 설계에 매우 유용한 기초 자료로 사용될 수 있을 것으로 판단된다.
나아가 계산된 결과는 자유장 전단 변형률의 함수로도 제시하였다(Fig. 8). 전단 변형률은 1차원 지반응답해석으로 쉽게 계산할 수 있는 변수이다. 따라서 자유장 전단 변형률과 지반의 전단파 속도만으로도 박스형 터널의 비탄성 거동을 고려한 평가가 가능하다. 물론, 추후 모형실험 등과 비교하여 비탄성 프레임 모델을 정밀하게 검증하고, 포괄적인 해석을 수행하여 다양한 지반에서의 전단 변형률 분포와 불확실성에 대한 연구가 진행되어야 할 것이다. 하지만 본 연구에서 제시된 터널 내진설계 플래트폼은 비탄성 해석을 토대로 단순화한 아이디어를 담고 있으며 추후 설계에 널리 활용될 수 있을 것으로 판단된다.
5. 결 론
본 연구에서는 지진 하중이 작용하는 개착식 터널의 손상 상태를 규명하였다. 우리 나라의 지하철 시스템에 널리 사용되는 박스 형태의 터널 구조물을 대상으로 하였다. 터널 구조물은 지반-구조물 간 상호작용을 고려하기 위해 일련의 수직, 수평 스프링을 갖는 비선형 프레임 요소로 모형화하였다. 성능 곡선의 개발을 위해 유사정적 해석 절차에 의한 pushover 해석을 적용하였다. 터널에서 NPH에 의해 정의되는 손상 누적을 검토하였다. 수치 모의의 결과에 의해 얻어진 결론은 다음과 같다.
1.터널에 지진 하중 재하 시 강체 회전과 전단 변형이 발생한다. 회전과 변형의 정도는 주변 지반 강성에 따라 달라진다. 공학적으로 유의한 정도의 강체 회전은 전단파 속도가 100 m/s 이하를 나타내는 매우 연약한 지반에서 발생한다.
2.소성 힌지의 형성, 전파 과정은 터널과 주변 지반의 강성비에 따라 달라진다. 또한, 터널 구조물의 모든 모서리 지점에 소성 힌지가 발생한 경우에도 주변 지반의 지지력으로 인해 그 즉시 붕괴가 발생하지는 않는다.
3.터널의 3 단계 손상 상태와 그에 대응하는 손상 지수(DI)를 제안하였다. 구조물에서 발생한 소성 힌지의 수는 구조물에 누적된 손상 상태를 가장 적절히 나타내는 지표이므로 이를 사용하여 손상 상태를 정의하였다. 손상 지수는 터널 구조 부재의 탄성 모멘트와 항복 모멘트의 비로 정의하였다. 제안된 손상 지수를 적용할 경우, 탄성 해석만으로도 비탄성 거동을 정확하면서도 효율적으로 예측 가능할 것으로 판단된다. 총 3 단계의 각 손상 상태에 대한 손상 지수는 1.0에서 2.3의 범위를 보였으며, 지반 강성의 영향은 나타나지 않았다. 나아가 계산된 결과는 자유장 전단 변형률의 함수로도 제시하였다. 전단 변형률은 1차원 지반응답해석으로 쉽게 계산할 수 있으며 이를 이용하여 박스형 터널의 초기 내진 평가가 가능할 것으로 판단된다.














)
)