1. 서 론
2. 터널의 수리 영향 분석
2.1 부력검토 조건 설정
2.2 수치해석 모델링 방법
2.3 유형별 분석(Typical Analysis)
3. 복층터널 부력 안정성 검토
3.1 해석 케이스
3.2 지반열화에 따른 복층터널 거동 분석
3.3 지반열화에 따른 라이닝 영향 검토
3.4 터널 단면 형상에 따른 라이닝 응력 분석
4. 결 론
1. 서 론
최근 도심지에서는 교통 집중과 정체로 인하여 사회적 경제적 손실이 발생하고 있으며, 우리나라는 강우량이 특정기간에 집중되어 효율적인 수자원 관리 및 이용이 필요한 실정이다. 지구온난화로 인해 태풍 및 집중호우 발생빈도가 증가하여 이에 대한 대비책이 요구되고 있으며, 특히 도시지역의 홍수방지 및 교통문제를 해결하기 위하여 다목적 복층터널 건설의 필요성이 대두되고 있다.
국내에서 도로전용 복층터널의 기본계획 및 설계는 진행되었으나, 실제 건설로 이어진 경우는 전무하다. 특히 도심지에 건설되는 다목적 복층터널은 여러 가지 조건을 고려하여 상황에 맞게 계획되어야 하며, 경제성 및 민원 등을 고려할 경우 대심도로 계획하는 것이 타당하다. 지반 하부 깊이 건설되는 복층터널은 지하수의 영향을 받게 되며, 일반적으로 해외사례를 살펴봤을 때 대단면 쉴드터널(비배수형)로 시공되므로 지하수로 인해 발생하는 부력에 대한 영향 검토가 필요하다.
지하수위 하부에 위치하는 구조물은 시공 중 및 완료 후 운영 중에도 항상 지하수에 대한 영향을 고려하여야 한다. 특히 지하수에 의한 부력에 대한 안정성 검토와 대비가 미비할 경우 구조물의 부상 등의 피해를 초래하는 경우가 많아 이에 대한 안정검토와 명확한 대책마련이 필요하다. 국내 기준 상에서 박스 구조물의 경우 양압력으로 발생하는 구조물의 부력 검토를 하도록 되어 있으나, 터널구조물을 대상으로 하는 부력검토 규정은 확인되지 않는다.
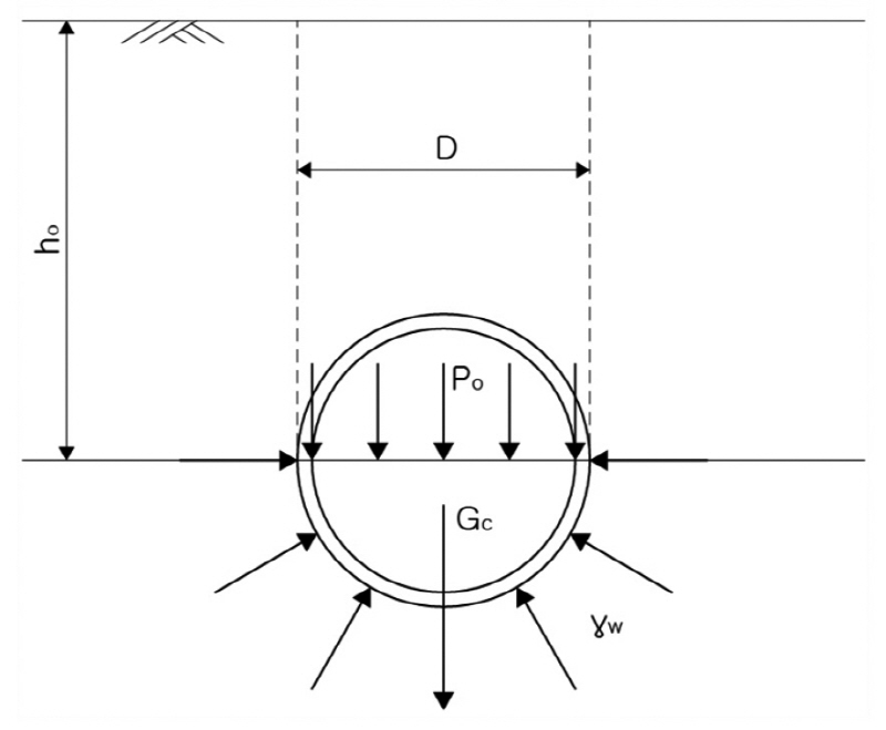
터널 부력영향 검토는 일반적으로 쉴드 터널링 중 그라우트 압력으로 인한 세그먼트의 거동 분석이 수행되어 왔다. Yang et al. (2009)은 수치해석을 통하여 Shanghai Yangtze강 하부에서 쉴드터널의 그라우트 조기 강도와 부력영향 관계를 도출하였으며, Liu et al. (2015)은 얕은 심도를 가지는 하저터널이나 해저터널의 경우 대단면 터널일수록 부력 저항력이 감소하므로, 터널 직경에 따른 최소한의 매설깊이와 지반조건을 고려한 안전율을 참고자료로 제시하였다. 또한 운영중 터널에 대한 부력 영향 검토를 다음 식 (1)과 같이 정리하였으며, 이에 대한 내용은 Fig. 1과 같다.
(1)
여기서,
:The weight of the cover soil
:The weight of the tunnel
:The bulk density of water
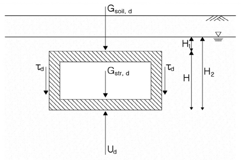
부력에 대한 일반적인 안정성 평가는 구조물 하부에 작용하는 상향력(간극수압)과 구조물 자중, 구조물 상부에 작용하는 지반하중 그리고 상향력에 저항하는 힘 등의 비교검토를 통하여 평가한다. 지하수위 하부에 구조물이 위치할 경우 지하수에 의한 간극수압보다 구조물의 자중, 구조물의 상재하중, 구조물 벽면 마찰력의 합이 클 때 부력에 대해 안정하다고 평가할 수 있다. 국내에서는 운영중 부력에 대한 안전율은 1.2를 기준으로 하고 있다(Design Criteria for Railroad : Subbase volume). 국외 기준 중 대표적인 Eurocode 7에서는 부력에 대한 기준을 다음 Fig. 2와 같이 모사하였으며, 그 내용은 식 (2)와 같다.
(2)
여기서,
: pore water pressure
: the weight of the structure
: the weight of the ground on top of the structure
: the side friction force on the vertical walls
구조물이 지하수위 하부에 완전히 잠겨 위치하고 있다면, 구조물 상부에 작용하는 간극수압은 부력에 대해 저항을 갖는 하중으로 간주하며, 구조물 하부에서 작용하는 간극수압을 부력의 원인으로 판단한다. 지하수위 위치에 따라 간극수압이 부력에 영향을 미치는 요소가 달라지므로 상황에 맞게 적용하는 것이 필요하다. 부력에 대해 불안정을 미치는 간극수압은 다음과 같이 표현할 수 있다.
(3)
여기서,
: 터널 하부 단면적
위의 식을 부력에 대한 상향력으로 표현하면 다음과 같다.
(4)
여기서,
:partial factor for a permanent destabilising action
식 (2), (3) 및 (4)는 부력파괴에 대한 한계평형조건을 통해 제시된 것이다. 하지만 터널구조물의 경우 BOX 구조물과 달리 파괴면 가정이 용이하지 않고, 라이닝과 지반의 경계면도 분명하게 정의하기 어려워, 제시된 식으로 검토할 경우 많은 가정과 단순화가 필요하여, 따라서 검토의 정확도도 신뢰하기 어려운 경우가 많다.
Shin et al. (2008, 2009)은 대심도 조건하에서 터널의 라이닝과 지반의 거동특성을 분석하여, 지반하중은 상대투수계수비에 따라 달라지며, 이로 인해 라이닝에 작용하는 하중이 변화함을 확인하였다. 또한 터널 배수재의 수리기능저하 및 배수공 막힘을 모사하여 터널 주변 지반의 간극수압과 터널 라이닝 거동을 분석하였다. 그 결과 터널 배수구가 모두 폐색되는 경우 터널 라이닝 변위는 전반적으로 위로 상승하며, 인버트에서는 변위가 급격하게 증가함을 확인하였다. 이는 비배수 터널이 되어 수직으로 상승하는 거동을 보이는 것으로 지하수위로 인한 터널 부력 영향의 중요성을 시사한 것이다.
터널의 부력이란 결국 터널원주면에 작용하는 수압의 순 상향력이다. 따라서 터널의 부력검토는 라이닝 작용수압에 대하여 검토하는 것이라 할 수 있다.
기존에 수행된 연구는 주로 배수형 터널의 라이닝 거동 분석으로 터널 라이닝 주변에 작용하는 간극수압이 ‘0’인 조건으로 지하수에 의한 상향력이 작용하지 않았다. 배수형 터널의 일반적인 거동분석은 주변지반의 강성과 보강재로 인한 터널의 안정성 평가 위주로 검토되어 왔다. 비배수형 터널은 구조물내로 지하수의 유입이 차단되기 때문에 이로 인해 간극수압이 작용하게 된다. 터널 주변에 발생하는 간극수압은 라이닝 하부에서 상향력으로 작용하게 되며 터널 구조물의 전체적인 안정성에 영향을 미칠 수 있다.
일반적으로 지반과 라이닝 경계면에서의 충분한 결합력이 유지될 경우 부력에 대해 충분한 안정성이 발휘된다. 그러나 시간이 경과함에 따라 주변지반 열화로 인해 지반-라이닝 결합력이 감소되게 되며, 부력에 의한 구조물 안정성 저하가 우려된다.
본 연구에서는 운영중 터널 라이닝 주변 지반 열화로 인해 지반-라이닝의 결합력이 감소하는 경우 지하수로 인한 상향력(부력)이 터널에 미치는 영향을 조사하였다.
2. 터널의 수리 영향 분석
2.1 부력검토 조건 설정
지하 대심도에 건설되는 터널은 장기적인 안정성이 유지되어야 한다. Shin et al. (2009)은 앞선 연구를 통해 운영중 배수터널의 배수공 폐색현상으로 인하여 비배수형 터널 거동을 보임을 밝힌 바 있다. 비배수형 터널은 터널 내로 지하수의 유입이 없는 터널로서 지하수위에 따른 정수압 형태의 하중이 콘크리트 라이닝에 작용하는 것으로 가정하고 설계하는 터널이다. 따라서 라이닝 설계시 지하수의 최대수위를 고려하여 터널 반경방향으로 정수두압을 적용하고 있다. 이 때 라이닝 하부에서 작용하는 상항력이 부력으로 인한 영향이라고 할 수 있다. 비배수형 터널 주변의 수압조건은 Fig. 3에 나타내었다.
비배수형 터널은 정수압이 라이닝 구조물에 작용하기 때문에 지반-구조물 상호거동이 중요한 문제이며, 장기적인 측면에서 접근할 때 운영중 터널 주변 지반의 열화로 인한 강성저하 및 상대적인 투수계수의 증가를 고려하여야 한다. 지반강성저하는 지반과 라이닝의 결합력을 감소시켜 구조물의 저항력을 감소시킬 수 있고, 지하수로 인하여 라이닝 하부에 작용하는 상향력은 라이닝에 작용하는 하중의 증가를 야기하여 라이닝 변상 현상 등이 발생할 수 있다. 특히 대심도 복층터널의 경우 단면의 크기가 크고, 도심지에 건설되는 특성으로 인하여 이용자의 안전과 직결되므로, 장기적인 안정성 확보가 중요하다.
본 연구에서는 다목적 복층터널의 장기적인 부력 안정성 검토를 위한 단면으로 Fig. 4와 같이 설정하였다. 단면은 시설한계를 고려하여 폭과 높이가 14 m인 원형터널로 설정하였으며, 집중호우 시에는 필요에 따라 터널 전체를 수로터널 기능으로 사용할 수도 있으나, 평상시에는 상부 슬래브와 하부슬래브에 차량통행이 가능하도록 하고, 하부슬래브 아래 부분에는 수로기능을 조합하였다. 터널 건설초기에는 지반-라이닝 결합력이 유지되나, 반복적인 기능전환으로 인하여 지반-라이닝 경계면 결합력이 저하되는 Worst Case를 고려하였다. 본 논문에서는 응력-간극수압 연계 수치해석을 이용하여 주변지반 열화에 따른 복층터널의 부력 안정성을 확인하고자 하였다.
2.2 수치해석 모델링 방법
일반적으로 유한요소법을 사용한 터널 해석에서의 라이닝은 보 요소로 구성되며 이는 투수성을 가질 수 없다. 따라서 라이닝의 수리거동을 모델링하기 위하여 라이닝 모델은 구조적 거동을 나타내는 보 요소와 투수거동을 나타내는 고체요소로 구성된 복합 요소로 구성되어 있다.
Shin (2008)은 터널 라이닝과 지반의 수리상호작용 및 수치해석 모델링 방법을 Fig. 5와 같이 제시하였으며, 이를 수치해석적 방법으로 검증하였다. 본 연구에서는 Shin (2008)이 제시한 모델링 방법을 참고하여 수치해석 모델링에 적용하였다(Fig. 6). 복층터널의 경우 슬래브에 교통하중으로 인한 진동이 지속적으로 작용하고, 또한 다목적 복층터널의 경우 도로-수로 기능전환으로 인하여 라이닝에 작용하는 하중이 반복적으로 변할 수 있다. 이로 인해 라이닝 주변지반에 강성저하가 발생할 수 있다. 라이닝 주변 지반의 열화 평가를 중점적으로 수행하기 위해 배수재와 2차라이닝을 모델링하여 지반과 라이닝 상호작용을 통한 거동을 조사하였다.
|
Fig. 5. Modelling the coupled hydraulic and structural lining behaviour (Shin, 2008) |
|
Fig. 6. Interface modelling |
지반열화로 인한 지반-라이닝 결합력의 강성변화를 모사하기 위하여, 지반과 라이닝 빔요소 접합부에 숏크리트 두께만큼의 면요소를 모델링하여, 운영중 터널의 주변지반 강성변화시 모델링 한 면요소의 특성변경을 통하여 지반열화조건을 적용하였다. 라이닝 빔요소와 굴착면 사이에는 배수재를 면요소로 모델링하였다. 해석모델은 지반은 Mohr-Coulomb모델을 사용하였고, 지반-라이닝 경계면은 결합력의 강성변화를 고려하기 위해 선형탄성모델을 사용하였다.
원형터널단면을 기준으로 대심도 기준인 40 m를 만족하기 위해서 터널 심도는 천단부 기준으로 50 m로 설정하였으며, 측면부와 하부는 5D(D=터널직경) 이상으로 모델경계를 설정하였다. 본 해석은 대심도에 건설되는 터널을 적용하였기에 지반조건을 암반으로 가정하였으며, 지반물성은 ‘서부간선 지하도로 민간투자사업’ 기본설계보고서에 수록된 연암 물성을 참고하였다(Table 1).
지반경계조건은 좌우측은 수평방향 변위구속, 하부는 수평방향과 연직방향 변위구속 조건을 적용하였다. 수리경계조건은 터널 굴착단계에서는 굴착면 간극수압(
)을 0 조건을 부여해 완전배수 조건으로 하였으며, 라이닝타설 완료 후에는 유량(
)을 0 조건으로 변경하여 비배수 조건을 모델링 하였다.
Shin et al. (2009)은 배수시스템 열화를 모사하기 위하여 라이닝과 배수재의 투수계수를 비교하여 검토하였으며, 그 결과 투수계수에 따른 라이닝 거동을 분석하였다. 본 해석에서는 원지반투수계수(
)와 배수재 투수계수(
)의 투수계수를 100배로 설정하였다(Table 2). 초기지하수위는 지표면하부 2 m로 설정하였으며, 응력-간극수압의 연계해석을 위해 MIDAS-GTS NX 프로그램을 사용하였다. 해석모델은 전체 폭 150 m, 전체 높이 132 m를 적용하였으며, 수치해석 모델은 Fig. 7에 나타내었다.
Table 2. Coefficient of permeability | ||
Material | Permeability (cm/sec) | Note |
Soft rock ( | 6.03×10-5 | ( |
Drain board ( | 6.03×10-3 | |
2.3 유형별 분석(Typical Analysis)
실제 운영중인 다목적 복층터널의 해외사례를 살펴보면, 원형단면이 대부분을 차지한다. 본 해석에서는 시공중과 운영중 터널의 안정성 평가를 위해, 원형터널 단면을 기준으로 터널연직변위와 라이닝 휨응력을 검토하였다. 원형터널 단면은 직경 14 m로 설정하였으며, 라이닝 두께는 0.5 m로 설정하였다. 시공단계에 따른 터널 거동 분석을 위하여 터널굴착, 라이닝타설, 라이닝타설완료 단계로 구분하여 해석을 진행하였다. 지반-라이닝 사이에 적용하는 면요소 특성은 원지반 물성을 적용하여 터널완료 직후의 안정성 평가를 실시하였다.
운영중인 복층터널 특성상 상부슬래브 및 하부슬래브 자중과 교통하중 등을 고려하여 상부슬래브 브라켓 위치에는 200 kN, 하부슬래브 브라켓에는 150 kN의 집중하중 조건을 부여하였다(Fig. 7). 슬래브 자중은 0.6 m 두께에 대한 횡방향 길이 약 12.7 m(상부 슬래브) 11.2 m(하부슬래브)를 고려하였으며, 교통하중은 13 kN을 적용하고, 기능전환에 따라 슬래브 상부 면적이 수로터널로 사용되는 경우를 고려하여 약 15∼20 m2 넓이에 대한 물의 자중을 고려하였다.
해석결과는 시공단계에 따른 터널 변위와 라이닝 휨응력 조건에 대하여 분석하였다(Fig. 8). 터널굴착시에는 천단부 변위가 약 ‒5 mm 발생하지만, 인버트 변위가 약 2 mm로 터널 연직변위발생량은 작은 수치를 기록한다. 라이닝타설 완료시 천단부 변위가 약 –3.3 mm 발생하고, 인버트 변위가 4 mm 발생하나, 간극수압에 의한 부력 영향이라 결론내리기엔 영향성이 크지 않다. 콘크리트 재료강도(
)를 27 MPa으로 기준으로 하면, 라이닝 휨응력은 10.8 MPa이 파괴기준(
0.4
0.4×27
10.8 MPa)이므로 라이닝 완료시 4.1 MPa의 휨응력이 발생하여 안정하다고 판단할 수 있다. 본 해석은 다목적 복층터널 지반-라이닝 결합력이 건전한 상태로 유지된다는 조건하에서의 결과로, 지하수가 터널 안정성에 미치는 영향이 크지 않음을 확인하였다.
3. 복층터널 부력 안정성 검토
부력검토는 전형적으로 이론식을 이용하여 안정성을 평가하는 것으로 일반화되어 있다. 터널 구조물에 작용하는 마찰력을 무시하고, 라이닝에 대한 자중(21.205 m2×24.5 kN/m3 = 519.5 kN/m), 슬래브 자중(0.6 m×12.6 m×24.5 kN/m3 + 0.6 m×11 m×24.5 kN/m3 = 346.92 kN/m), 슬래브에 작용하는 하중(150 kN/m, 200 kN/m), 상부지반하중(50 m×14 m×23 kN/m3 = 16,100 kN/m) 등을
값으로 계산하고, 지하수위를 고려하여 터널하부에서 작용하는 수압을
(14 m×(48+14) m×10 kN/m3 = 8,680 kN/m)라 하면, 앞서 언급한 식 (2)를 사용하여 원형터널에 대한 부력 안정성을 검토하면, 안전율이 약 1.99 정도로 기준 안전율인 1.2를 상회하게 된다. 이는 단순히 지반조건이 일정하게 유지된다는 상태에서만 안정성이 확보되는 경우이므로, 지반 열화에 따른 터널 안정성 검토가 필요하다. Han and Jeong (2014)은 고속철도 표준단면을 이용하여 열화에 따른 터널의 거동을 분석하였다. 주변 지반의 열화, 숏크리트의 열화, 콘크리트 라이닝의 열화 등으로 구분하여 운영중 터널의 장기간 열화 지속시 터널의 안정성과 정량적 예측기법을 제시하였다.
일반적인 터널은 건설초기에는 지반-라이닝 결합력이 견고하게 유지되나, 다목적 복층터널은 반복기능전환에 따른 지반-라이닝 경계 열화(분리)로 인하여 마찰력이 상실할 수 있다. 본 연구에서는 주변 지반의 열화로 인해 지반-라이닝 경계면 강성저하로 인하여 결합력(마찰력)이 저하될 경우 정수압 조건에서 운영중 복층터널의 안정성을 분석하고자 한다.
3.1 해석 케이스
본 논문에서는 복층터널의 단면 형상에 따른 수리 상호작용에 대하여 검토자하고 하였다. Yoon et al. (2014)은 터널 형상에 따른 구조물과 수리 상호작용을 연구하여, 마제형 터널에서 라이닝 변형이 가장 크게 발생함을 제시하였다. 본 해석에서도 터널 단면을 대표적으로 사용되는 원형, 마제형, 난형 단면으로 설정하였다(Fig. 9). 터널 단면 설정시 복층터널의 교통기능에 수로기능을 조합할 경우를 예상하여 하부 슬래브 하부에 약 20 m2 이상의 수로규모를 설정하였다.
터널 지반-라이닝 사이의 접합부(interface)에 지반열화를 모사하기 위하여 지반강성저하 영역은 수치해석 모델링시 숏크리트 두께(150 mm)만큼 면요소로 적용하였으며(Fig. 6), 지반-라이닝 경계면 강성은 원지반 탄성계수를 기본으로 하였다. 열화로 인한 지반강성 저하는 지반-라이닝 경계면 면요소의 탄성계수 값을 E = 100, E = 1,000, E = 10,000 kPa로 설정하여 원지반 상태일 경우의 결과와 비교하였다(Table 3).
Table 3. Analysis cases | |||
Classification | Tunnel shaped | Interface stiffness | Note |
Case 1 | Circular | E=100 kPa E=1,000 kPa E=10,000 kPa | Ground parameter (E=3,200,000 kPa) |
Case 2 | Horse shoe-shaped | ||
Case 3 | Egg-shaped | ||
3.2 지반열화에 따른 복층터널 거동 분석
복층터널에 작용하는 지하수의 상향력으로 인한 영향성을 분석하기 위해여 Fig. 9에서 제시한 3가지 터널형상에 대하여 수치해석을 통해 주변지반 강성에 따른 터널 연직변위를 확인하였다(Fig. 10). 해석결과 3가지 단면에 대하여 터널 인버트 부분에서 연직변위가 주로 발생함을 알 수 있다. 라이닝 주변 면요소가 원지반강성을 가지고 있을 때는, 원형터널의 경우 4.04 mm, 마제형터널의 경우 9.16 mm, 난형터널의 경우 5.83 mm의 결과를 나타낸다. 그러나 라이닝 주변 면요소의 강성이 감소할수록 연직변위 증가폭이 크게 나타나, 지반 강성이 100 kPa일 경우 터널 하부에서 연직변위가 최대로 발생하며 그 최대값은 원형터널의 경우 30.03 mm, 마제형터널의 경우 104.62 mm, 난형터널의 경우 77.29 mm의 결과를 보인다. 수치해석 결과를 분석해보면, 지반-라이닝 경계면 강성이 감소함에 따라 터널 연직변위가 증가하므로, 지하수위 영향으로 인하여 복층터널 부력 영향성이 증가함을 알 수 있다.
3.3 지반열화에 따른 라이닝 영향 검토
지반-라이닝 결합력의 강성저하는 결국 라이닝에 직접적으로 작용하는 하중을 증가시키는 결과를 불러온다. 라이닝은 터널 구조물에서 중요지보재로, 운영중 터널에 라이닝 파손이나 변형이 발생하면 터널 안정성 측면에서 크게 저하된다. 특히 라이닝은 콘크리트 구조물로 외부하중을 지지함으로써 허용휨응력내로 작용압이 재하되어야 운영중 라이닝의 안정성을 확보할 수 있다. Shin et al. (2014)은 연계해석을 통하여 터널 우각부에 라이닝 휨응력이 크게 작용하여 안정성을 저하시킬 수 있음을 연계해석을 통하여 검증하였다. 또한 Shin (2015)은 수리적 열화는 라이닝에 작용하는 수압을 변화시켜, 라이닝콘크리트에 수압하중으로 작용하며 이로 인해 구조물에 부담이 증가된다고 분석하였다.
본 연구 해석 결과를 분석해보면, 원형터널의 경우 지반-라이닝 경계면 결합력이 원지반강성을 유지할 경우 휨응력이 4.1 MPa이었으나, 경계면 결합력 강성이 E = 100 kP로 저하되면 10.9 MPa로 약 2.66배 증가하였다(Fig. 11). 특히 라이닝 휨응력이 최대로 작용하는 지점은 하부 슬래브 브라켓이 설치되는 곳으로 확인되며, 슬래브 하중으로 인하여 라이닝 휨응력이 증가됨을 알 수 있으며, 이 부분은 설계에서 중점적으로 검토해야 할 영역이라 판단된다.
3.4 터널 단면 형상에 따른 라이닝 응력 분석
마제형 터널의 경우 지반-라이닝 결합력이 원지반강성일 경우에는 휨응력이 14.0 MPa이었으나, 결합력 강성이 E = 100 kPa로 감소하면 휨응력은 96.17 MPa로 약 6.87배 증가하였다. 또한, 난형터널의 경우 지반-라이닝 결합력이 지반일 경우에는 휨응력이 9.21 MPa이었으나, 결합력 강성이 E = 100 kPa로 감소할 경우에는 65.34 MPa로 약 7.09배 증가하였다(Fig. 12).
각 터널형상별 최대 휨응력은 우각부와 하부 슬래브 브라켓 설치 부근에서 발생함을 알 수 있다. 이는 복층터널 형상으로 인한 영향과 복층터널 슬래브를 모사하기 위하여 복층터널 내 브라켓을 설치하고, 브라켓 요소 상부에 적용한 집중하중으로 인한 영향이 복합적으로 작용한 결과로 판단된다.
라이닝 흼응력이 0.4 fck(10.8 MPa)를 상회할 경우, 라이닝의 안정에 큰 문제를 야기할 수 있다. 복층터널의 안정성을 확보하기 위해서는 라이닝 철근을 배근하거나 라이닝 단면을 두껍게 설계하여 작용하중에 대하여 안정성을 확보할 수 있도록 하여야 한다.
Fig. 13을 보면 라이닝 두께가 증가함에 따라 휨응력은 감소함을 알 수 있다. 장기적인 지반열화에 따른 라이닝 거동을 고려할 때 원형 터널은 라이닝 두께가 약 0.6 m 이상이면 안정성을 확보할 수 있고, 마제형 터널은 두께를 약 1.7 m로 증가시켜야 안정성을 확보할 수 있다. 또한 난형터널의 경우 약 1.4 m 이상이어야 라이닝 휨응력 안정성을 유지할 수 있다.
터널 형상과 라이닝 위치에 따른 휨응력을 분석해보면, Fig. 14와 같은 경향을 나타냄을 알 수 있다. 지반-라이닝 경계면 강성저하를 고려한 조건으로, 라이닝 주변지반 탄성계수를 100 kPa로 적용하였다. Fig. 14에 적용된 라이닝 두께는 1.75 m로 모든 터널 형상에 대해 허용휨응력 내로 안정성이 확보되나, 우각부 및 슬래브 작용하중 부분에서는 값이 상대적으로 커짐을 확인하였다.
Fig. 15는 터널 형상에 따른 대표적 조사지점별 응력발생 특성을 나타내었다. 발생응력/허용응력(10.8 MPa)을 세로축으로 나타내었고, 터널 편평비를 가로축으로 설정하였다. 각 터널 편평비는 원형터널 1, 마제형터널 1.18, 난형터널 1.04로 산정하였다. 하부 슬래브 위치와 인버트에서는 마제형터널에서 응력비가 크게 나타났고, 우각부에서는 난형터널에서 응력비가 상대적으로 크게 발생하였다. 난형터널은 우각부와 하부슬래브 설치 위치가 근접하여 우각부에서 휨응력이 크게 발생한 것으로 판단된다.
가정조건에 대한 복층터널 형상별 안정성 확보에 요구되는 라이닝의 최소두께는 상이하지만, 이는 복층터널 단면설계시 라이닝 구조검토를 통한 철근 보강, 우각부의 곡면처리 및 슬래브 브라켓 설치구간에 보강을 통하여 라이닝 두께를 감소시킬 수 있다. 터널 단면설계시 효율적인 철근보강으로 경제성을 확보할 수 있는 방안이 필요하다.
4. 결 론
본 연구는 수치해석적 방법을 이용하여 운영중인 복층터널의 지반열화로 인한 지반-라이닝 경계면 결합력의 강성저하시 터널 구조물에 작용하는 상항력으로 인한 부력 영향을 살펴보았다. 다목적 복층터널은 기존의 운영중인 터널과는 건설 목적이 상이하여, 기존의 수치해석 조건이 아닌 기능전환에 따라 반복하중이 작용하여 지반-라이닝 경계부 결합강성이 저하되는 경우 영향성을 조사하였다. 지반열화는 터널 지반-라이닝 접합부에 숏크리트 두께만큼의 강성저하 영역을 면요소로 모델링하여, 탄성계수값을 감소시켜 고려하였으며, 또한 터널 형상에 따른 영향성을 분석하였으며, 복층터널 단면형상에 따른 분석을 통하여 단면형상이 원형에 가까울수록 안정성 확보가 용이함을 파악하였다. 따라서 복층터널 설계시 지하수 영향 및 터널 형상에 따른 지반 보강방안 및 라이닝 안정성확보가 필요하며, 수리적인 영향과 주변지반강성저하에 대비한 안정한 설계방안을 수립하여야 한다.
본 연구는 국내에 다목적 복층터널의 건설될 경우 지하수위의 영향으로 고려하야 할 영향요소 중 장기적인 운영에 따라 지반-라이닝 경계면 결합 강성이 감소할 경우의 부력에 관한 안정성을 조사한 내용이다. 본 연구를 통해 터널의 수리·구조적 거동특성을 확인하였으며, 그 결과는 다음과 같다.
1.대심도 복층터널의 경우 상향력으로 인한 부력 영향검토시 원형에 가까울수록 터널 거동과 라이닝 안정성 측면에서 유리하다.
2.수압(부력)의 영향은 지반-라이닝 결합력의 감소로 나타날 수 있으므로, 이를 인터페이스 강성 감소로 모사할 수 있다.
3.터널 형상에 따라 인버트부가 직선에 가까울수록 터널 하부에서 지하수로 인한 상향력에 의한 영향이 커 터널 연직변위가 상대적으로 크게 나타난다.
4.장기적인 안정성 측면에서 터널 우각부와 슬래브 브라켓이 위치하는 지점에 라이닝 휨응력이 크게 나타나므로 이에 따른 라이닝 보강 방안이 필요하다.
5.정수압이 작용하는 비배수 터널의 안정성을 확보하기 위해서는 라이닝의 단면 두께가 증가되어야 한다. 라이닝 두께가 증가할수록 건설공사비 측면에서 불리하므로, 적정 복층터널 단면설계가 되도록 다각적인 접근이 필요하다.
6.향후 복층터널 설계시 라이닝 구조 검토를 통하여 철근의 배근과 배치 간격을 조절하여, 실제 시공되는 다목적 복층터널의 라이닝의 두께를 최소화 하는 방안이 요구된다.









(kN/m3)
(kPa)
(°)
)
/
=100)
)







