1. 서론
2. 수치해석적 사전검토
2.1 모델 설정
2.2 파괴양상에 대한 수치해석적 사전평가
3. 싱글쉘 라이닝 성능평가를 위한 실대형 실험
3.1 특수 지그 제작을 통한 실험 경계조건 부여
3.2 실험모델 설정 및 시료제작
3.3 터널 라이닝 섹션 하중재하 실험
4. 실험결과 분석
4.1 각 실험모델별 변형율 분포 특성
4.2 각 실험모델별 파괴양상 및 최대 지지력
5. 결론
1. 서론
일반적인 국내 교통터널에서는 2차 콘크리트 라이닝을 포함한 이중구조의 라이닝 체계로 설계되어 시공되고 있다. 1980년도 초기에는 2차 콘크리트 라이닝이 하중을 받는 구조체로 여겨지지 않았으나, 최근 들어 터널 주지보재의 장기열화 및 주변 환경변화 등에 기인한 추가하중을 지지하는 구조체로 설계되고 있다. 이러한 개념은 연약지반상에서 건설되는 터널에서는 매우 합리적이라 판단되지만, 같은 개념을 지하수가 거의 유출되지 않고 암반조건이 매우 양호한 산악터널의 경우에서는 과중된 지보투입으로 과다한 공사비 책정의 근본 원인이 될 수 있다(이두화 등 2001, 정형식 등 2001). 또한, 무지보로도 건설(황학 등, 2001) 가능한 현장에서 지반특성을 고려치 않고 2차 콘크리트 라이닝까지 시공하게 되므로 굴착기간의 약 30%정도에 해당하는 추가 공사기간이 소요된다.
노르웨이(김민규, 2000; 신희순 2001), 일본(JTA, 1988; Geo-Front 연구회, 2000), 독일(Haack, 1988) 등 터널기술 선진국들에서는 보다 경제적인 터널시공을 위하여 싱글쉘 터널공법을 도입하여 일체화 터널 라이닝을 적용해오고 있다. 또한, 기존 NATM(New Austr-ian Tunnelling Method)개념의 터널 라이닝은 주지보재인 숏크리트 층과 콘크리트 라이닝으로 구성되며 중간에 유도배수를 위한 부직포와 방수막이 설치되어 숏크리트와 콘크리트 라이닝 층간의 전단력이 전달되지 않는 지보구조를 갖는다. 반면 싱글쉘 라이닝은 기존 NATM개념에서의 숏크리트의 역할과 콘크리트 라이닝의 역할을 함께 수행하면서 균질하지 않은 각 층간에 전단력이 전달되는 구조특성을 갖게 됨으로써 같은 투입재료 재원으로 총 라이닝 두께를 줄일 수 있으며, 총 공사비에 크게 영향을 미치는 공기를 단축시킬 수 있는 여건을 마련할 수 있다.
본 연구에서는 2차 콘크리트 라이닝의 기능을 숏크리트 라이닝에 포함시켜 공기를 단축시킬 수 있는 싱글쉘 개념을 도입하기 위하여 기존 터널공법과 가장 차별화된 요소인 싱글쉘 터널 라이닝의 구조적 거동특성을 고찰하였다. 이를 위해 방수막으로 이분화된 구조를 갖는 NATM의 이중구조 라이닝과 전단력이 전 라이닝 두께에 걸쳐 전달되는 구조를 갖는 싱글쉘 라이닝의 지지성능을 평가하고 천단부 암괴하중에 대한 파괴 메카니즘(Ande-rson, 1997)을 고찰하기 위한 실대형 실험을 실시하였다. 실대형 실험에 앞서 사전검토를 위하여 이상화된 2차원 터널모델을 설정하고 단순화된 재료 조건에서 같은 두께의 이중구조 라이닝과 일체화 싱글쉘 구조 라이닝의 지보성능을 수치해석적으로 평가해 보았다. 여기서, 기존 이중구조 라이닝에 상응한 최대 지지력을 갖는 싱글쉘 라이닝 구조의 두께를 산정해 보았으며, 일체화 구조로 인해 전단력을 전달시켜 어느 정도 터널 라이닝의 지보성능을 향상시킬 수 있는가를 수치해석적으로 고찰해 보았다. 또한 동일한 싱글쉘 구조 라이닝에서 균질한 강섬유 보강 숏크리트 라이닝과 복합단면 라이닝의 지지력을 비교/평가하였다.
본 연구에서는 실대형 실험방법으로서 라이닝의 현장조건을 만족시키고 실험결과의 정량적 활용을 위하여 곡률을 갖는 터널 라이닝을 실규모에서 하중재하 실험을 할 수 있는 실대형 라이닝 섹션 하중재하 실험방법을 제안하였으며, 수치해석적 분석 및 역학적 검토를 통해 라이닝 섹션 실험에 적합한 경계조건을 설정하였다. 터널현장조건에 부합된 터널 라이닝 섹션 끝단의 경계조건을 합리적으로 부여하기 위하여 특수지그를 개발하였다. 지반강성 및 터널 라이닝 경계조건을 고려하여 4m직경의 터널 라이닝 천단부 섹션에 가해지는 집중하중에 대한 라이닝 성능을 평가하였다. 본 실험결과와 사전검토 연구를 실시된 수치해석 결과를 바탕으로 두 가지 라이닝 체계에 대한 하중 지지력 특성에 대해 비교하고, 싱글쉘 터널 라이닝의 지보성능과 파괴거동 메커니즘 규명을 위한 실험결과 분석을 수행하였다.
2. 수치해석적 사전검토
2.1 모델 설정
상기에서 언급된 내용의 수치해석적 고찰을 위하여 NATM의 더블쉘 라이닝은 일반 숏크리트 10cm와 콘크리트 라이닝 30cm, 그리고 각 라이닝간에 방수막이 설치되어 있는 총 40cm 두께로 설정(모델 DS40)하였으며, 전단력 전달 유무에 의한 효과만을 보기 위하여 같은 조건에서 방수막을 제거한 싱글쉘의 경우(모델 SS40)를 설정하였다. 또한 균질한 싱글쉘 강섬유 보강 숏크리트 라이닝을 20cm에서 40cm까지 두께를 달리하여 5개의 모델로 설정하였으며(모델 F20, F25, F30, F35, F40), 복합단면 싱글쉘 라이닝은 10cm 두께의 일반 숏크리트층은 고정시키고 2차 지보 보강층으로 강섬유 숏크리트의 두께를 10cm에서 30cm까지 변화시키며 5개의 모델을 설정하였다(SF20, SF25, SF30, SF35, SF40).
설정된 해석모델에 대한 수치해석을 위하여 그림 1과 같이 2차원 평면변형율 조건에서의 원형 반단면 터널의 대칭모델을 설정하였다. 본 해석의 주요목적은 숏크리트 라이닝에 있으므로 라이닝의 정밀 탄소성 응력해석을 위하여 평면요소를 사용하였으며 다중 라이닝 구조의 각 층의 두께를 직접 구현하였다. 또한 이중구조의 라이닝을 모델링하기 위하여 인터페이스 요소를 적용하고 최소한의 전단강성 적용으로 각 층간에 전단력이 전달되지 않도록 하였다. 사용된 구조해석 프로그램은 상용 유한차분 해석 프로그램인 FLAC2D이며, 주변 지반과 터널 라이닝에는 일반 Tension cut-off Mohr-Coulomb 소성모델을 적용하여 탄소성 해석을 수행하였다. 매질의 항복이후 매질거동은 완전소성(perfectly plasticity)으로 모델링 하였다. 여기서 인장 및 전단파괴를 정의하는 2개의 항복면이 고려되고, 인장강도에 의해 정의되는 항목면을 넘어선 응력수준의 요소는 인장균열이 발생하는 것으로 가정하여 결과분석을 수행하였다.
적용된 지반 및 숏크리트 라이닝의 물성은 표 1과 같다. 지반물성은 연암조건에서 일반적으로 사용되는 물성을 이용하였으며, 암괴하중이 가해지면서 숏크리트 라이닝과 암반이 이격되는 현상을 간접적으로 모사하기 위하여 암반의 인장강도를 국외에서 사용되고 있는 부착면의 허용 부착강도인 1.0MPa로 지정하였다(Mott Mc-Donald Ltd., 2004). 강섬유 보강 숏크리트는 일반 숏크리트의 탄성물성과 일축압축강도를 그대로 적용하였으며 직접인장강도만을 일반 숏크리트의 2배로 산정하였다. 점착력과 마찰각은 압축강도와 인장강도에서 환산된 값들이며, 단계별 타설에 따른 영향은 고려되지 않았다.
설정된 하중조건은 터널굴착 후 설치된 터널 라이닝 천단부에 국부적인 추가 암괴하중이 작용하는 상황을 모사하기 위하여 초기에 굴착하중을 가해주어 숏크리트 내부에 응력을 발생시키고, 이후 터널 직 천단부 라이닝 배면에서 수직하향 방향으로 집중하중을 가해주었다. 탄소성 해석을 통해 발생되는 파괴특성에 관계없이 안정적으로 최대 지지하중을 결정하기 위하여 집중하중을 변위제어 모드로 가해주었으며 가해진 변위와 반력을 이용하여 하중-변위 곡선을 결정하고 각 라이닝 경우에서의 최대 지지하중을 산정하였다.
2.2 파괴양상에 대한 수치해석적 사전평가
2.2.1 더블쉘 구조와 싱글쉘 구조 라이닝의 파괴특성
그림 2는 숏크리트와 콘크리트 라이닝간에 방수막이 설치된 경우인 이중구조 라이닝(DS40)의 초기 파괴진행 양상을 보여주며, 그림 3은 같은 조건에서 방수막이 없는 SS40 모델의 초기 파괴진행 양상을 보여준다. 그림에서 보듯이 라이닝 상부에서 집중하중이 가해짐에 따라 라이닝의 직천단부 터널 내측에서부터 인장균열이 발생하여 상부로 균열이 진행되는 전형적인 파괴형상이 나타나고 있다. 여기서 더블쉘 구조 라이닝(DS40)에서는 각 층간 전단력이 전달되지 않음에 따라 초기 인장균열이 상부 숏크리트의 하단과 하부 콘크리트 라이닝 하단에서 함께 발생하고, 각 균열은 동시에 상부로 진행하며, 최대 균열 진전 허용길이는 각 층의 두께로 제한되면서 하부 콘크리트 라이닝의 균열이 콘크리트 라이닝 두께만큼 진전됐을 때 상부균열과 연결되어 궁극적으로 라이닝의 지지력을 상실한다. 반면, 방수막이 제거된 경우(SS40)는 초기 인장균열이 라이닝 하단부에서만 발생하여 상부로 진행되므로 최대 균열 진전 허용길이가 DS40의 경우보다 두꺼운 전체 라이닝 두께이므로 최대 지지하중은 같은 재료적 제원에서 DS40의 경우보다 크게 된다. 표 2에서 보듯이 더블쉘(DS40)의 경우 터널 라이닝의 지지력은 주어진 조건에서 싱글쉘(SS40)에 비해 약 12% 정도 저감되는 것으로 해석되었다.
2.2.2 균질한 강섬유 보강 싱글쉘 숏크리트 터널 라이닝의 최대 지지하중
표 2에서와 같이 전단력의 전달을 허용하는 싱글쉘 라이닝이 강섬유 보강 숏크리트로 구성되었을 때, 주어진 조건에서 DS40과 가장 유사한 최대 지지하중을 갖는 모델은 F30모델인 것으로 해석되었다. 이로부터 방수막을 사용하지 않고, 일반 숏크리트에 다양한 고강도 첨가제를 배제한 인성증진용 강섬유만을 투입한 경우 총 두께 30cm만으로 40cm두께의 이중구조 라이닝의 최대 지지하중을 확보할 수 있는 것을 알 수 있다. 따라서 강섬유 보강 숏크리트로 싱글쉘 라이닝을 구성할 시, 약 10cm 정도의 두께, 즉 25%정도의 숏크리트 두께 저감효과를 가져올 수 있는 것으로 해석되었다. 만일 강섬유외에 상용중인 다양한 고성능 첨가재료의 사용과 최적 배합비의 적용을 통하여 인장강도 외의 다양한 물성이 강화된 고성능 숏크리트가 반영된다면 싱글쉘 터널 라이닝의 최대 지지하중은 보다 크게 증진될 수 있을 것으로 판단된다.
2.2.3 복합단면 싱글쉘 숏크리트 터널 라이닝의 최대 지지하중
표 2에서와 같이 강섬유가 포함되지 않은 일반 숏크리트와 강섬유 보강 숏크리트로 싱글쉘 터널 라이닝이 구성되었을 때, 주어진 조건에서 DS40와 가장 유사한 최대 지지하중을 갖는 모델은 SF30모델인 것으로 해석되었으며, F30 모델 수준의 각 층별 전단력 전달 허용에 따른 지지하중 증가효과를 확인할 수 있었다. 이로부터 강섬유와 같은 고성능 첨가제가 라이닝 섹션에 작용하는 응력분포 특성을 고려하여 전략적으로 각 타설 층별로 달리 투입된다면, 의도된 최대 지지하중을 확보하면서도 재료의 절감효과를 기대할 수 있을 것으로 판단된다.
3. 싱글쉘 라이닝 성능평가를 위한 실대형 실험
3.1 특수 지그 제작을 통한 실험 경계조건 부여
천단 암괴하중 작용하의 터널 라이닝 섹션실험을 위한 실험섹션 범위 결정 및 경계조건 설정이 필요하였다. 따라서 이에 역학적 분석 및 수치해석을 통해 라이닝 섹션을 중앙에서 좌우 30도로 결정하였고, 실제 라이닝과 동일한 조건하의 실험을 위해 30도 지점부분에 터널 라이닝 주변의 일정한 강성(지반강성, 숏크리트 강성)을 모사하였다. 그림 4는 실험에 적용된 실험조건을 보여준다. 그림 4에서와 같이 터널 천단부에서 좌우로 30도가 되는 라이닝 단면에 롤러 경계조건을 부여하였으며, 라이닝 좌우 기초부의 수직 지반강성을 간접적으로 모사하기 위하여 지그장치 수평으로 강성제어 액츄에이터를 설치하였다. 이를 통해 수직 집중하중에 대해 라이닝이 주어진 지반강성에 따라 하부로의 처짐을 허용할 수 있도록 하였다.
경계부의 수평강성을 구현하기 위해서 시료의 30도 지점에 붙어 있는 판을 지점부에 접합시켜 변위가 구속되도록 하며, 지점부를 수평으로 자유롭게 이동할 수 있도록 하여 지점부의 수평강성을 가할 수 있게 하였다. 수평강성은 가압장치가 변위에 따라 가하는 힘을 변하게 하여 강성을 나타낼 수 있도록 하였다. 지점부의 형상은 그림 5와 같으며, 지점부 바닥이 자유롭게 수평 이동할 수 있도록 레일을 설치하였다. 그림 6과 같이 가압장치가 지점부에 강성을 가할 수 있게 하였으며, 가압장치는 프레임에 직접 연결을 해서 고정시켰다. 기타 본 연구에 적용된 실대형 터널 라이닝 섹션 실험조건 설정근거, 지반강성 모사를 위한 강성제어 시스템 및 장비제작에 관한 자세한 사항은 한국건설기술연구원(2005)에서 참조할 수 있다.
3.2 실험모델 설정 및 시료제작
실대형 실험은 다음 표 3과 같이 4가지 실험 CASE들을 설정하였으며, 표 3에 설명된 바와 같이 현장조건을 고려한 실질적인 상대평가가 될 수 있도록 타설조건을 달리하였다. 본 실험은 이중구조와 일체화 구조의 역학적 거동특성의 상대비교 연구를 수행하는 것이 목적이므로 CASE 1은 일반적인 싱글쉘 라이닝을 모사하며, CASE 2는 CASE 3과 비교되어 같은 조건에서 분리구조가 라이닝의 지보성능에 미치는 영향을 평가해 보기 위하여 설정되었다. CASE 4는 본 연구에서 새롭게 시도되는 불균질 복합재료 싱글쉘 라이닝에 대한 고찰을 위해 설정되었다.
시료제작을 위해 실대형 시료 강재 거푸집(그림 7(a))과 시료에 설치되어 지그에 부착될 강판을 그림 7(b)와 같이 제작하였으며, CASE 3(더블쉘) 시료의 경우 그림 7(c)와 같이 실제 터널 라이닝에 사용되는 방수막을 설치하여 이중구조를 모사할 수 있도록 제작하였다. 특수 제작된 강판상에 위치별로 철근을 부착하고 설치하여 시료가 양생된 후 시료와 강판이 일체거동을 할 수 있도록 하였으며, 이 강판은 경계조건 구현을 위한 지그에 볼트로 고정된다.
본 실험에서는 시료형상의 정확한 성형이 요구되며 시료 제작의 용이성을 고려하여 콘크리트를 이용하여 시료를 제작하였다. 따라서 싱글쉘 숏크리트 라이닝의 정량적인 최대지지하중 평가는 곤란하지만 이중구조와 일체화 구조의 지보성능의 상대적인 비교/평가에는 무리가 없을 것으로 판단된다. 콘크리트 타설 후 충분한 강도를 확보하기 위하여 타설 28일 정도의 양생기간을 고려하였다.
3.3 터널 라이닝 섹션 하중재하 실험
본 연구에서 적용되는 실험법은 ‘실대형 터널 라이닝 섹션 하중재하 실험법’으로 명명되며, 이에 기반하여 실시된 본 실험은 그림 8과 같이 한국건설기술연구원에 구축되어 있는 실대형 터널 하중재하 인프라를 활용한다. 실대형 인프라는 너비 12.9m 폭 8.9m의 기초 반력벽에 0.5m간격으로 반력 프레임 설치를 위한 볼트공을 설치하였으며 각 볼트공 당 지지하중은 250kN(25tonf)이다. 현재 실대형 하중재하 장비는 그림 8에서와 같이 최대 지름 8m의 반원형 터널모형에 대한 실험이 가능하고 하중제어/변위제어/강성제어가 가능한 17개의 hydraulic servo actuator 제어시스템이 구축되었다. 또한, 실대형 실험체의 운반 및 재하시험 시 거치대로 사용되는 시편 이송용 대차 및 레일시스템이 설치되어 있다.
본 연구에서 수행된 실대형 실험은 터널 천단부를 기준으로 좌우 30도, 총 60도 원호 라이닝에 대한 섹션실험이며, 끝단의 경계조건을 터널조건에 부합되게 하기 위해 특수지그를 제작하였다. 터널 천단부에 암괴하중이 주어진 경우에 대한 터널의 파괴 양상을 알아보기 위해, 실대형 실험 시료 라이닝 천단부에 선하중을 가하였다. 또한 주어진 상재하중에 대한 실규모의 터널라이닝 끝단에서 발생하는 지반침하현상, 지반 및 라이닝의 반력을 지그를 통해 모사할 수 있도록 하였으며, 특히 반력 모사를 위해 강성제어 시스템을 도입하였다. 라이닝 섹션의 경계조건은 3.1절에서 언급된 특수지그를 이용하여 부여하였으며 최종 준비된 시료는 그림 9와 같다.
본 실험은 하중제어로 실시하였으며, 수평방향으로 설치된 엑츄에이터는 수직 하중재하 시 발생하는 지그의 수평방향 변위에 대해 주어진 강성을 고려하여 상응한 반력을 실시간으로 가해주는 강성제어 목적으로 설치되었다.
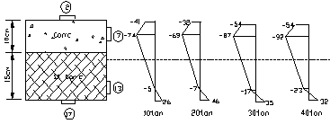
그림 10과 같이 라이닝 안쪽면 중앙부와 지그배면 수평방향으로 LVDT를 각각 설치하였다. 지점별 스트레인게이지 측정을 통해 변형율 변화특성을 살펴보고, 하중에 의해 유발된 라이닝내 응력분포 특성을 파악하였다. 스트레인게이지는 상부에 3개, 정면에 12개, 하부에 3개를 라이닝의 축방향으로 부착하였다. 실험 결과 정리를 위해 중앙부는 Section-A, 중앙에서 측면으로 15도 부분은 Section-B, 지점부분을 Section-C로 명명하였다. 각 스트레인게이지 위치에서 하중증가에 따른 변형율 변화를 통해 응력 발생 경향을 파악하고, 각 부분에서 변형율 변화곡선 분석을 통해 균열의 발생여부 혹은 소성영역 발생여부를 알아보고자 하였다.
4. 실험결과 분석
4.1 각 실험모델별 변형율 분포 특성
그림 11은 각 CASE별로 라이닝 직 천단부 단면상(Section-A)으로부터 측정된 변형율 분포 변화를 보여준다. 천단부에서 15도 떨어진 단면인 Section-B와 끝단면인 Section-C에서의 하중재하에 따른 변형율 분포 변화는 각각 그림 12와 그림 13에 도시하였다.
그림 11에서 Section-A의 변형율 변화를 살펴보면 상부에서는 압축력이 발생하고 하부에서는 인장력이 발생하는 경향을 보이며, 이는 중앙부에 하중이 작용할 때 나타나는 정상적인 결과이다. CASE 3의 경우에는 분리구조의 특성 때문에 인장-압축이 상부 1차 라이닝과 하부 2차 라이닝에서 각각 분리되서 나타나는 경향을 보이고 있다. 그림 12에서 Section-B의 변형율을 살펴보면, 대체적으로 상부에서 약간의 압축력을 받고, 하부에서 인장력을 받는 경향을 보이고 있으나 Section-A에 비해 상대적으로 작은 값임을 알 수 있다. 그림 13에 나타난 Section-C의 변형율 변화를 살펴보면 Section-B의 경우와 비슷하게 상부에서 압축력을 받고 하부에서 인장력을 받는 것으로 나타났으며 CASE 3의 경우 Section-A와 같이 인장-압축이 방수막을 사이에 두고 번갈아 나타나는 경향을 나타내고 있다.
분석결과를 종합해 보면, 이중구조의 라이닝의 인장균열의 발생은 각 라이닝 층 하단에서 각각 발생하여 상부로 진전되어 최대 균열진전 가능길이가 일체형보다 짧고, 이에 따른 지지력 저하현상이 발생하는 것으로 나타났다. 이는 그림 11 CASE 3에서 인장-압축이 상부 1차라이닝과 하부 2차 라이닝에서 각각 분리되서 나타나는 경향에서도 확인할 수 있다. 이중구조 라이닝의 경우 전단파괴가 발생하여 라이닝 어깨부에서도 추가 2차 균열이 발생되어 수직균열과 수평전단균열이 합체되어 빠르게 파괴가 진행되는 것을 확인하였다. 이는 실험 중 균열 발생 양상 관찰에서도 확인 되었지만, Section-B(측면 15도 부분)에서 상부의 지점에서 CASE 1, CASE 2, CASE 4(일체구조)와 달리 CASE 3(이중구조)에서 파괴하중에 도달하기 전에 소성영역에 진입한 것으로 재차 확인할 수 있었다. 시료 상부에서는 일체구조 여부 혹은 재료의 특성보다는 시료의 두께에 따라 균열 혹은 소성영역 발생시기가 틀려지는 것을 확인하였다. 40cm의 두께인 CASE 2와 CASE 3의 경우가 두께 25cm인 CASE 1와 CASE 4에 비해 더 큰 하중까지 균열 혹은 소성영역이 발생하지 않은 것으로 보아, 라이닝 상부의 응력측면에서는 라이닝이 두꺼울수록 더 유리한 것으로 나타났다. 또한, 라이닝 단면의 응력측면에서는 CASE 1 - CASE 2 - CASE 4 - CASE 3 순으로 비록 두께는 25cm로 다른 경우에 비해 얇지만 강섬유가 첨가된 CASE 1이 더 유리한 것으로 나타났다. 이는 하중이 작용하는 Section-A(중앙부)의 상부와 하부의 변형율계의 경우 균열 혹은 소성영역이 발생한 작용하중의 크기가 CASE 1 - CASE 2 - CASE 4- CASE 3 순인 것을 알 수 있다.
4.2 각 실험모델별 파괴양상 및 최대 지지력
준비된 4가지 경우의 시료들에 대해 같은 경계조건 및 하중재하 조건으로 실험을 실시하였는데, 각 경우별 관찰된 파괴양상은 그림 14와 같으며, 일체형 라이닝인 CASE 2의 경우 하중이 가해지는 중앙부에서 균열의 진전양상은 그림 15와 같다. 실험에 앞서 실시한 같은 실험조건과 라이닝 제원에 대한 수치해석 분석 결과에서, 이중구조의 라이닝의 인장균열의 발생은 각 라이닝 층 하단에서 각각 발생하여 상부로 진전되어 최대 균열진전 가능길이가 일체형보다 짧고, 이에 따른 지지력 저하현상이 발생하는 것으로 나타났는데, 이러한 현상은 실시된 실대형 실험에서도 확인되었다. 추가로 실대형 실험에서는 방수막으로 이분화된 경계면에서 큰 전단파괴가 발생하여 라이닝 어깨부에서도 추가 2차 균열이 발생되어 수직균열과 수평전단균열이 합체되어 빠르게 파괴가 진행되는 것을 확인할 수 있다. 이중구조 라이닝의 어깨부 2차 수직균열은 시료의 끝단에 타설된 철근의 영향이 컸던 것으로 판단되나, 2차 균열이 발생하지 않은 같은 두께의 일체형 구조보다는 큰 인장응력이 발생한 것으로 나타났다. 그림 14(a)와 같이 일체형의 강섬유 라이닝에서도 수직 인장균열 발생후 어깨부에서 2차 균열이 발생하였으나 매우 큰 재하하중에서 발생하였다. 그림 14(d)의 복합재료 라이닝 실험은 수직균열이 대각선으로 발생되어 올바른 실험이 이루어지지 않았다. 이는 시료의 성형 시 약간의 뒤틀림이 있었고 지그에 시료설치를 위하여 강제로 맞추어준 것이 시료에 뒤틀림을 유발해 균질하지 못한 응력상태에서 실험을 수행한 것이 CASE 4에 대한 실험실패의 원인으로 판단된다.
실대형 실험결과 하중-변위 곡선은 그림 16과 같고, 본 그림에서 최대지지하중은 현재의 하중재하용 가압 엑츄에이터 용량의 한계로 적절히 산정해 내지 못했지만 초기 균열발생 하중 결과는 CASE 4를 제외한 나머지 경우에 대해 적절히 산출되었다. 이중구조 라이닝(CASE 3)는 균열발생 하중이 약 100kN(10tonf)며 방수막을 생략한 CASE 2의 경우는 약 120kN(12tonf)정도에서 균열이 발생함으로써 방수막에 의하여 약 20%정도의 지지력 저하를 보이는 것으로 나타났다. 이는 같은 조건에서 수행된 수치해석 결과에서 얻어진 12% 정도의 지지력 저하정도 보다 훨씬 큰 값이며, 물성 및 수치해석의 한계를 고려할 때 방수막에 의해 20%정도의 지지력이 저하되는 것으로 사료된다. 또한, 그림 12에서와 같이 두께가 CASE 2 혹은 CASE 3 보다 15cm나 얇은 25cm의 강섬유 라이닝은 균열발생 시점이 약 170kN(17tonf) 정도로 나타나서 가장 지지성능이 좋은 것으로 나타났다. 이로부터, 강섬유의 인장특성 보강효과가 매우 탁월한 것으로 보이나, 실험을 통해 도출된 최대 지지력은 기 수행된 수치해석 결과보다 작으며, 각 CASE간 최대 지지력의 차이는 비슷한 결과를 보였다.
5. 결론
본 연구에서는 분리된 이중구조 터널 라이닝과 일체된 싱글쉘 구조의 터널 라이닝의 파괴 메카니즘과 지보성능에 대한 수치해석 및 실험실증적 연구가 수행되었다. 이를 통해 얻어진 결론은 다음과 같다.
1. 라이닝 상부에서 집중하중이 가해질 경우 더블쉘의 경우 각 층간 전단력이 전달되지 않아 인장균열이 상부 숏크리트의 하단과 하부 콘크리트 라이닝 하단에서 함께 발생하고, 각 균열은 동시에 상부로 진행하여, 싱글쉘에 비해 균열 허용 길이가 짧아져 싱글쉘 라이닝 구조가 더블쉘 라이닝 구조에 비해 지보성능이 우수한 것으로 파악되었다.
2. 사전검토를 위한 수치해석 결과에서는 동일한 조건에서 이중 분리구조를 초래하는 방수막의 제거로 약 12%정도 지보성능이 향상되는 것으로 해석되었으나, 보다 현장조건에 가깝게 모사된 실대형 실험에서는 20% 정도의 지지성능 향상을 보였다. 또한, 강섬유를 사용하였을 경우, 싱글쉘 라이닝 구조가 이중 분리구조 라이닝 총 두께의 약 75%정도에서 유사한 지지성능을 보였다. 이로부터 보수적 개념에서 기존 숏크리트 품질관리기준 하에서 기존 이중구조 라이닝의 지보패턴에서 약 12%정도의 지지성능 향상효과를 고려해 보정하여 싱글쉘 라이닝의 지보패턴으로 사용한다고 해도 무방할 것으로 판단된다.
3. 2차로 도로터널 기준, 풍화암이나 풍화토 조건에서 일반적인 적용되는 숏크리트 10cm와 콘크리트 라이닝 30cm 두께의 터널 라이닝 구조에 상응하는 지보성능을 갖는 라이닝 구조는 SF shotcrete 30cm의 싱글쉘 구조 혹은 shotcrete 10cm, SF shotcrete 20cm의 복합단면 싱글쉘 구조로 해석되었다.
4. 추가로, 터널 천단부 국부하중조건에서 강섬유가 전체 싱글쉘 라이닝 단면에 투입된 균질재료 싱글쉘 라이닝과 동일 배합비율로 터널 내측에만 강섬유가 투입된 복합재료 싱글쉘 라이닝 경우가 거의 유사한 지지성능을 보임으로써, 고성능 첨가재료 투입량의 조절로 복합재료 싱글쉘 라이닝 구조를 형성함으로써 보다 저렴한 재료비로 유사한 지지성능을 확보할 수 있는 가능성을 보여주었다.

























