1. 서 론
2. 이론적 배경
2.1 이수식 쉴드TBM 이수분출 및 부력 개요
2.2 이수분출 안정성 검토방법 고찰
2.3 부력 안정성 검토방법 고찰
3. 이수분출 및 부력 안정성 평가도표 제안
3.1 이수분출 안정성 평가도표 제안
3.2 부력 안정성 평가도표 제안
4. 강도감소법을 활용한 부력 안정성 검토
4.1 검토 개요
4.2 부력 안정성 검토
4.3 검토 결과
5. 결 론
1. 서 론
국내에서는 최근 하 ‧ 해저 구간의 터널 시공 시 NATM과 병용하여 쉴드TBM이 적용되거나 쉴드TBM공법 단독으로 적용된 기계화 시공이 증가하고 있는 추세이며, 그 밖에도 전력구, 통신구, 상하수도 등에 대한 수요가 증가함에 따라 소규모의 지하 기계화시공이 증대되고 있는 실정이다.
이러한 쉴드TBM공법을 이용한 기계화시공의 증가와 함께 시공 트러블 발생도 증가하고 있는데 해・하저에서 많이 적용되고 있는 이수식 쉴드TBM의 경우 지반조건, 토피고 및 지하수 등의 현장 여건을 반영하여 계획이 이루어져야 하며, 예상치 못한 불량한 지반을 통과하게 되는 경우 터널 굴착 중 트러블이 발생하게 된다.
이수식 쉴드TBM의 대표적인 트러블은 미흡한 막장압 관리로 인해 이수가 지표 밖으로 누출되는 이수분출과 터널이 통과하는 구간의 부족한 토피고와 높은 지하수위로 인한 부력에 대한 안정성 문제이다. 그러나 평가방법이 다소 복잡하여 초기 계획단계에서 신속한 확인이 어렵다.
따라서, 본 연구에서는 기존 문헌자료를 참고하여 쉴드TBM의 부력 및 이수분출 트러블에 대해 간편하게 안정성 평가를 할 수 있는 도표를 제안하고자 하였으며, 부력에 대한 안정성을 유한요소해석을 통한 수치해석적 방법으로 검토하여 비교 ‧ 평가 하고자 하였다.
2. 이론적 배경
2.1 이수식 쉴드TBM 이수분출 및 부력 개요
이수식 쉴드TBM의 경우 효과적인 이막(mudcake) 형성 여부가 막장 안정성 확보에 많은 영향을 미친다(Roh et al., 2012).
이수식 쉴드TBM 공사 중 저토피 구간에서는 이수분출에 대한 안정성이 확보되어야 한다. 이수식 쉴드TBM은 수압대응이 용이한 장점이 있어 하 ‧ 해저구간 및 지하수위가 높은 구간에 적용하는 경우가 많으므로, 설계 시 막장면에 작용하는 토압과 수압에 대한 막장압을 산정하고 시공 시 실시간 측정을 통하여 막장압을 관리하여야 한다.
이수식 쉴드TBM은 커터헤드 후면의 챔버 내에 이수압을 가압시켜 굴착면 붕괴를 제어하면서 굴착하게 된다. 이수는 송니관(Feed Line)을 통하여 공급되며, 굴착토사는 이수와 함께 배니관(Discharge Line)을 통하여 배출하면서 굴착하게 된다. 이수식 쉴드TBM 공법의 막장면 안정기구는 가압된 이수압력에 의해 막장의 토압 및 수압에 저항하여 막장의 안정을 도모하면서 막장의 변형 및 지반침하를 억제하게 된다. 이를 위하여 막장에 저투수성 슬러리 침투에 따른 Mudcake을 형성하여 슬러리압력을 유효하게 작용시킴과 동시에 막장면의 일정 범위에 침투하여 지반의 점착력을 증가시킨다(Koh et al., 2020).
만일 저토피 조건에서 이수식 쉴드TBM을 굴진하는 경우 지반을 통한 이수의 상향 이동통로가 지반 내에 발생하여 이수가 지표로 분출하는 이수분출(blow-out) 현상이 발생함에 따라 지반의 안정성 및 주변 환경요인에 영향을 미칠 수 있으며, 이러한 경우 챔버압 관리가 불가하여 공사중 안정성에 심각한 영향을 미칠 수 있다(Fig. 1).
지하수위가 높은 저토피구간을 통과하는 비배수형 세그먼트라이닝이 설치된 터널의 경우 운영 중 부력에 대한 검토를 수행하여야 하며, 공사중 및 운영중 부력에 대한 안정성을 검토하여야 한다.
세그먼트라이닝은 비배수 터널 개념이므로 시공 후 모든 정수압을 견디도록 설계되기 때문에 심도가 깊은 경우 정수압이 증가하여 세그먼트라이닝의 두께와 철근보강량이 증가하기 때문에 경제성 측면에서 불리해지고 누수 가능성이 증가하는 등 유지관리 측면에서도 불리해진다. 따라서, 지상구조물이나 지하지장물의 영향이 없는 범위에서 최대한 천층으로 계획하게 되는데 이런 경우에는 부력 안정성을 확보할 수 있어야 한다(Fig. 2).

Fig. 2.
Concept of buoyancy stability by tunnel excavation (KTA Tunnel Engineering Series Publishing Committee, 2022)
2.2 이수분출 안정성 검토방법 고찰
이수식 쉴드TBM에서 막장압 제어는 유체이송펌프의 회전수를 조정하여 챔버(Chamber)내 이수의 압력을 조절한다. 근래에는 Air Bubble을 혼합하여 적용하는 방식이 많이 쓰이고 있으나, 어떠한 방식을 사용하던 이수를 사용하여 막장안정을 도모하는 기본개념에는 변화가 없다(Park, 2021).
이수분출 안정성 평가는 챔버 내에 작용하는 이수압(챔버압, 막장압)이 막장에 작용하는 토압과 수압의 합을 비교함으로써 평가한다.
터널 막장 안정성은 이수압이 토압+수압보다 작은 경우 막장이 밀려들어와 안정성 확보가 곤란한 경우와 이수압이 토압+수압보다 과도하게 커서 이수가 지표로 유출되는 경우에 대해 평가한다. 설계 시 DAUB (Deutscher Ausschuss fur unterrirdisches Bauen e.V.) 및 ITA-AITES (German Tunnelling Committee)에서 제안한 검토 방법으로 2가지 한계값(lower limits, upper limits)을 사용한다. 하한 한계(lower limits)에서는 토압+수압이 막장압보다 크면 막장이 붕괴되므로 최소막장압()을 보장해야 하고, 상한 한계(upper limits)에서는 토압+수압이 막장압보다 작으면 이수분출 현상이 발생하므로 최대막장압()은 터널 천장부에서 수직응력의 90%보다 작아야 한다는 조건을 제시하고 있다(Fig. 3).
• 토압(쐐기파괴) + 수압 > 챔버압 : 막장붕괴 ➡ 최소 막장압()
• 토압(전토압) + 수압 < 챔버압 : blow-out 발생 ➡ 최대 막장압()
여기서, : 흙의 최소 단위 중량을 고려한 터널천단에서의 총 수직응력(kN/m2)
: 터널 천단부에서의 상한 지보압(kN/m2)
한편, 지중에 기 존재하는 유로(Open path)를 통한 이수분출 안정성도 평가하여야 하는데 이러한 유로에 작용하는 수압을 Open path pressure라고 하며 유로가 존재하는 경우에는 정수압보다 큰 이수압을 적용할 수 없고 평가방법이 간단하므로 본 연구에서는 논외로 하였다.
2.3 부력 안정성 검토방법 고찰
부력 안정성 검토방법에 대한 연구는 현재까지 지속적으로 수행되어 왔다(Trautmann et al., 1985; Ng and Springman, 1994; White et al., 2001). White et al. (2001)과 Palmer et al. (2003)은 원심모형실험을 통하여 사질토에서 터널이 부력에 의해 상승시 모래지반의 dilation 효과로 인하여 역부등변사각형 모양으로 상부지반이 파괴됨을 확인(Fig. 4)하였다. 모래지반의 dilation 효과는 부력 안정성을 증가시키는 데 기여한다.
시공 직후 세그먼트라이닝의 부력 안정성은 다음 식으로 검토할 수 있다. 부력 안정성을 확보할 수 있는 최소토피는 식 (2)와 같다.
여기서,
: 지표에서 터널 중심까지 깊이(m), : 흙의 수중단위중량(kN/m3)
: 내부마찰각(°), : 팽창각(°)
: 터널 직경(m), : 그라우팅 단위중량(kN/m3)
: 세그먼트 단위중량(kN/m3), : 세그먼트 두께/터널 외측반경 비
그러나, 터널 시공 후 운영 중 장기적으로는 많은 불확실성을 갖는다. 차량운행에 따른 반복적인 진동하중과 반복적인 지진에 의한 지반이완이 발생할 수 있다. 따라서, 운영 중에는 Fig. 5에 나타낸 바와 같은 모래지반의 내부마찰각에 의한 dialtion 효과는 무시하는 것이 안전측이다. 운영 중 터널의 부력 안정성을 확보하기 위한 최소토피고는 식 (3)을 활용하여 산정할 수 있다.
쉴드TBM의 운영중 부력은 터널 굴착부피와 물의 단위중량의 곱으로 정의되며, 저항력은 세그먼트 중량과 토피중량, 토피고에 대한 전단저항력의 합으로 이러한 부력에 대한 저항력의 크기가 부력의 1.2배 이상일 경우 안정성은 확보되는 것으로 간주한다.
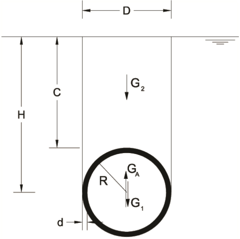
공동구 설계기준(공동구 본체 설계(KDS 29 14 00): Ministry of Land, Infrastructure and Transport, 2021)에서는 부력에 대해 Fig. 6과 같이 정의하고 있다.
여기서, : 부력(kN/m), : 물의 단위중량(kN/m3)
: 구조물 외부 폭(m), : 구조물 외부 높이(m)
부력에 대한 저항력은 구조물 자중, 상재하중 그리고 상재토 예상파괴면의 전단저항력의 총합으로 한다. 상재하중은 구조물 상부 되메움 흙의 하중과 지하수위를 고려하여 산정하는데 지하수위 이하의 토피자중은 지하수위 이하 흙의 수중단위중량을 기준으로 한다. 또한, 구조물 벽체와 주변 뒤채움 흙과의 마찰력은 재질간의 접촉 불확실성을 고려하여 무시하고 부상 방지키가 설치된 경우에는 부상 방지키 상부지점까지의 토피자중과 지반의 마찰력을 고려한다.
크로아티아 ITA에서 Minh Ngan et al. (2015)은 부력 안정성 평가방법을 Fig. 7과 같이 제시하였다.
지하수위 아래에서 터널에 작용하는 부력은 , 터널구조물의 자중은 , 상재토층의 무게는 와 같은 수직력에 의한 영향을 받으며 각각의 값은 식 (5)~식 (7)로 산정하도록 제시하였다.
여기서, : 터널 직경(m)
: 물의 단위중량(kN/m3)
터널의 세그먼트 무게는 다음과 같이 산정할 수 있다.
여기서, : 터널 세그먼트 두께(m)
: 터널 세그먼트 단위중량(kN/m3)
터널 상부 흙의 무게는 다음과 같이 산정할 수 있다.
여기서, : 토피고+터널(세그먼트 외측) 반경(m)
: 터널 상부 흙의 단위중량(kN/m3)
부력이 터널 세그먼트의 무게와 상부 흙의 무게 합보다 작거나 같으면 터널은 부력에 대해 안정한 것으로 정의하였다.
3. 이수분출 및 부력 안정성 평가도표 제안
3.1 이수분출 안정성 평가도표 제안
본 연구에서는 이수식 쉴드TBM 굴진 중 이수분출 안정성 평가도표 제시를 위해 단일 지층조건에 대해 토피고와 수위를 변수로 하고 DAUB 및 ITA-AITES (German Tunnelling Committee)에서 제시한 상한값을 산정 후 이수분출 방지를 위한 최대관리압 평가도표를 작성하였다.
이수분출 방지를 위한 최대관리압 평가도표 작성을 위한 검토조건은 단일 지층조건(단위중량 18.0 kN/m3)에 대해 토피고 1~10 m, 수위 1~10 m 조건을 적용하여 지하수위가 지표면 이하일 경우와 수위가 지표면 이상일 경우에 대한 검토를 수행하였다(Fig. 8).
최대관리압 산정 결과는 Table 1과 같으며, 최대관리압은 연직유효응력과 정수압의 합으로 계산됨에 따라 동일 토피조건에서는 지하수위가 지표면 아래에서 지표면까지 증가하는 경우 최대관리압은 같은 값을 가지고 지표면 이상으로 수위가 증가하는 경우 정수압에 의해 최대관리압은 증가하는 것으로 검토되었다. 이를 도식화 하면 Fig. 9와 같다.
하 ‧ 해저 터널과 같이 동일한 수위조건에서 토피고가 수위보다 낮은 경우 기울기가 작은 선형적 증가를 보이다가 육상터널과 같이 토피고가 수위보다 높은 경우는 기울기가 상대적으로 큰 선형적 증가를 보이는 것으로 분석되었다.
토피고가 수위보다 높은 경우의 최대관리압은 식 (9), 토피고와 수위가 동일할 경우의 최대관리압은 식 (10), 수위가 토피고보다 높은 경우의 최대관리압은 식 (11)로 산정할 수 있다.
여기서, : 흙의 습윤단위중량(kN/m3), : 흙의 수중단위중량(kN/m3)
: 수위와 동일한 토피고(m), : 수위와 토피고의 차이값(m)
따라서, Fig. 9와 같은 이수분출 안정성 도표를 활용하여 수위와 토피고에 대한 이수식 쉴드TBM의 이수분출가능 최대관리압을 산정 후 목표 막장압을 비교함으로써 간편하게 이수분출 안정성을 평가할 수 있다.
Table 1.
Maximum management pressure according to water level by depth of cover
3.2 부력 안정성 평가도표 제안
쉴드TBM 터널의 부력 안정성에 대한 간편한 평가를 위해 단일 지층조건에 대해 토피고와 쉴드TBM 터널 직경을 변수로 하고 Minh Ngan et al. (2015)이 제시한 관계식을 이용하여 부력 안정성 평가도표를 작성하였다.
부력 안정성 간편평가도표 작성을 위한 검토조건은 단일 지층조건의 단위중량 18.0 kN/m3, 쉴드TBM 세그먼트 두께 350 mm, 쉴드TBM 터널 3 m, 5 m, 7 m, 9 m 및 11 m의 직경에 대해 토피고 1 m, 3 m, 5 m, 7 m 및 9 m로 하여 부력에 대한 안전율을 계산하였다. 부력 안전율 산정 결과는 Table 2와 같으며, 동일 토피조건에서 쉴드TBM 터널 직경에 따른 안전율은 거듭제곱의 비선형적 형태로 나타나는 것으로 검토하였다.
Table 2.
Buoyancy safety factor according to depth of cover by tunnel diameter
쉴드TBM 터널 직경 3 m의 경우 토피고 1 m 이상에서 안전율 1.2를 만족하고, 직경 5 m에서는 토피고 3 m 이상, 직경 7 m의 경우 토피고 5 m 이상, 직경 9 m의 경우 토피고 7 m 이상, 직경 11 m에서는 토피고 9 m 이상에서 각각 부력에 대한 안전율을 확보하는 것으로 검토되었다.
쉴드TBM 터널 시공 전 현장 지반조건에 대해 Fig. 10과 같은 부력 안전율에 대한 간편도표를 적용한다면 종단깊이 계획단계에서 부력 안정성에 대한 간편한 평가가 가능할 것으로 판단된다.
4. 강도감소법을 활용한 부력 안정성 검토
4.1 검토 개요
복잡한 지형 및 지반조건을 고려한 부력 안정성 검토를 위해 강도감소법을 이용한 수치해석방법을 적용할 수 있다.
강도감소법의 적용성 파악을 위한 검토를 위해 쉴드TBM 직경은 5.0 m, 토피고는 1 m, 3 m, 5 m, 7 m 및 9 m로 고려하였으며, 쉴드TBM 직경 5.0 m에 작용하는 부력(192.62 kN/m2)을 터널 상부에 적용하여 강도감소법을 이용한 지반의 안전율을 산정하였다. 수치해석 검토조건은 Fig. 11과 같으며, 지반정수는 Table 3과 같다.
Table 3.
Design parameters for numerical analysis
| Item | Unit weight (kN/m2) | Cohesion (kPa) | Friction angle (°) | Modulus (MPa) | Poisson’s ratio |
| Soil | 18.0 | 10 | 28 | 21 | 0.32 |
4.2 부력 안정성 검토
최초의 유한요소법에 의한 강도감소법은 Zienkiewicz et al. (1975)에 의해 제시되었다.
Fig. 12와 같이 지반의 안전율을 계산하기 위해서는 임의의 지점인 한 요소의 가우스 점 A의 응력상태를 Mohr-Coulomb의 응력원으로 나타낼 수 있다. 지반의 파괴활동을 묘사하기 위해서는 가상 활동면의 응력상태에 대한 Mohr-Coulomb의 응력원이 파괴포락선에 접하도록 임의의 안전율 값으로 그 지점의 전단강도를 나누어 Mohr-Coulomb의 응력원에 접하도록 한다. 결과적으로 점 A의 응력상태를 파괴상태로 보정하게 된다. 지반의 요소에서 이러한 파괴점이 증가하게 되면 전반적인 붕괴가 발생되고 유한요소해석 결과가 수렴되지 않으면 그 한계 안전율 값을 최소 안전율로 정의한다(MIDAS IT, 2013).
강도감소법에 사용되는 지반 모델은 Mohr-Coulomb을 사용하였으며, 이때 사용되는 지반정수는 탄성계수(E), 포아송비(), 점착력(c) 값과 마찰각(), 팽창각()이다. 지반의 탄성계수와 포아송비는 일정하게 간주하고, 점착력과 내부마찰각을 점진적으로 감소시켜 재계산을 수행하며 수렴이 되지 않을 때의 안전율을 결정하게 된다.
여기서, : 지반의 전단강도(), : 파괴시 전단강도()
: 파괴시의 점착력(), : 파괴시의 내부마찰각()
SRF : 강도감소계수(Strength Reduction Factor)
직경 5.0 m의 세그먼트라이닝에 대해 강도감소법을 이용한 수치해석을 수행한 결과, 부력 안전율은 토피고 3 m 이하의 조건에서는 허용 안전율(1.2)을 만족하지 못하는 것으로 나타났고 최소 토피고 4 m 이상 확보하여야 부력에 대해 안정한 것으로 검토되었다.
이론식에 의한 부력 안전율은 토피고가 증가함에 따라 선형적으로 증가하는 경향을 나타내는 반면에, 수치해석에 의한 부력 안전율은 토피고가 증가함에 따라 다항식의 추세선으로 표현되는 비선형적인 증가 경향을 나타내는 것으로 검토되었다(Fig. 13). 강도감소법을 이용한 수치해석에 의한 부력 안전율은 토피고 3 m 까지는 이론식에 의한 안전율 보다 상대적으로 작은 안전율 값을 가지는 것으로 평가되었으나 토피고 5 m 이후 수치해석에 의한 부력 안정성에 대한 안전율이 상대적으로 큰 안전율 값을 나타내는 것으로 검토되었다.
Fig. 14는 수치해석에 의한 최대 전단변형률도를 나타낸 것으로 터널에 작용하는 부력으로 인해 지반의 전단변형이 발생하고 전형적인 지반의 파괴각으로 지반의 변형이 발생하는 것으로 나타났다.
4.3 검토 결과
본 절에서는 세그먼트라이닝의 부력 안전율을 수치해석적 방법으로 산정하기 위해 강도감소법을 이용한 2차원 연속체 수치해석을 수행하였으며, 이론식으로 산정된 부력에 대한 안전율과 비교 ‧ 검토하였다.
세그먼트라이닝 직경 5.0 m에 대한 토피고 1 m, 3 m, 5 m, 7 m 및 9 m 조건에서 강도감소법을 이용한 수치해석 검토 결과, 부력 안전율은 4 m 이상 확보 시 부력에 대해 안정한 것으로 검토되었다. 또한, 이론식에 의한 부력 안전율은 토피고 증가에 따라 선형적으로 증가하는 경향을 보이는 반면 수치해석에 의한 부력 안전율은 다항식의 추세선으로 표현되는 비선형적인 증가 양상을 보이는 것으로 검토되었다.
토피가 큰 경우 이론식에 의한 부력 안정성은 실제보다는 안전측 결과를 도출하는 것으로 분석되었다. 이는 이론식에서는 상재토 내 전단저항면을 연직으로 간주하였으나 수치해석에서는 내부마찰각의 영향으로 경사진 전단저항면이 발생(Fig. 14)함에 따라 상재토피가 증가할수록 부력에 대한 전단저항력이 증가함에 따른 것으로 판단된다.
5. 결 론
본 연구에서는 이수식 쉴드TBM 터널의 굴진 중 이수분출 안정성 및 세그먼트라이닝 부력 안정성을 간편하게 평가할 수 있는 평가도표를 제안하였고, 부력 안정성에 대한 이론식과 강도감소법을 이용한 수치해석 결과를 비교 ‧ 분석 하였으며 주요 연구결과는 다음과 같다.
1. 이수분출 방지를 위한 최대관리압은 동일한 토피조건에서 지하수위가 지표면 아래에서 지표면까지 증가하는 경우 같은 값을 가지고 지표면 이상으로 수위가 증가하는 경우 정수압에 비례하여 증가하는 것으로 검토되었다. 또한, 동일한 수위조건에서는 토피고가 수위보다 작은 경우 기울기가 작은 선형적 증가를 보이다가 토피고가 수위보다 커지는 경우 기울기가 큰 선형적 증가를 보이는 것으로 검토되었다. 이수분출 안정성은 본 연구에서 제안된 간편도표를 활용하여 최대관리압과 목표관리압을 비교 ‧ 분석함으로써 이수분출에 대한 안정성을 간편하게 평가할 수 있을 것으로 판단된다.
2. 이론식에 의한 부력 안전율 산정 결과, 동일 토피조건에서 세그먼트라이닝 직경에 따른 안전율은 거듭제곱의 비선형적 형태로 나타나는 것으로 검토되었다. 따라서 쉴드TBM 터널 계획단계에서 제안된 평가도표를 활용한다면 간편하게 부력 안정성을 평가할 수 있을 것으로 기대된다.
3. 이론식에 의한 부력 안전율과 강도감소법을 이용한 수치해석에 의한 부력 안전율을 검토하였다. 이론식에 의한 부력 안전율은 토피고 증가에 따라 선형적으로 증가하는 경향으로 나타났으나, 강도감소법을 이용한 수치해석에 의한 부력 안전율은 다항식의 추세선으로 표현되는 비선형적인 증가 양상을 보이는 것으로 나타났다. 토피가 큰 경우 이론식에 의한 부력 안정성은 실제보다는 안전측 결과를 도출하는 것으로 분석되었다. 이는 이론식에서는 상재토 내 전단저항면을 연직으로 간주하였으나 수치해석에서는 내부마찰각의 영향으로 경사진 전단저항면이 발생함에 따라 상재토피가 증가할수록 부력에 대한 전단저항력이 증가함에 따른 것으로 판단된다.
4. 본 연구에서는 설계 및 현장 실무자들을 위해 간편하게 평가할 수 있도록 제시한 안정성 평가도표는 표본으로 만들기 위해 검토조건을 제한적으로 적용하였으므로 추후 현장여건에 맞는 평가도표를 작성하여 활용한다면 매우 유용할 것으로 사료된다.















