1. 서 론
2. 휨 실험
2.1 재료 및 실험체 제작
2.2 실험방법
3. 실험결과
3.1 파괴모드
3.2 하중-변위거동
3.3 균열강도 및 균열폭, 최대휨강도모델과의 비교분석
3.4 강섬유 분포상태 분석
4. 결 론
1. 서 론
현재까지 강섬유보강콘크리트(이하 SFRC)가 가장 적극적으로 활용되는 분야는 지반위에 놓이는 슬래브이며, 공장 등의 산업시설 바닥슬래브에 사용되고 있다. 지반위에 놓이는 슬래브 구조는 다지점 구조이므로 휨모멘트가 크지 않고, 고정하중이 지배적인 특징을 가지고 있다(Conforti et al., 2013; Sorelli et al., 2005).
터널 라이닝 구조 중에서 TBM 공법에 사용되는 세그먼트의 구조형태는 원형이다. 지중에 건설되기 때문에 활하중 보다는 고정하중이 지배적이며, 주변 지반강도의 상태에 따라 크게 달라지지만 견고한 지반 중에 놓이는 경우에는 휨 보다는 축력이 지배적이다. 이와 같은 세그먼트의 구조적 특징에 따라 SFRC 세그먼트의 개발과 사용이 크게 증가하는 추세에 있다(Chiaia et al., 2009; Rivaz, 2008; Dobashi et al., 2006; Fuente et al., 2012). 한편 Tiberti et al. (2008) 은 강섬유보강콘크리트와 이형철근이 동시에 보강된 하이브리드 세그먼트를 개발하였으며, 극한한계상태에서는 강도증가 효과가 미미하지만 사용한계상태에서 균열저항효과가 크다는 장점을 보고하였다.
미국의 경우 SFRC의 활용에 대하여 보수적인 반면에 유럽의 경우 매우 적극적이다. 이는 각국의 콘크리트구조물 설계기준의 현황을 통해 확인할 수 있다. ACI 318-11 (ACI, 2011)에서는 60 kg/m3 이상의 강섬유가 혼입된 강도 40 MPa 이하의 SFRC를 사용하는 경우에 한하여 최소전단철근 배근을 생략할 수 있다고 제시하고 있다. 반면 fib Model Code 2010 (이하 MC 2010)에서는 일반콘크리트를 대신하여 SFRC를 사용함으로서 RC 구조내에 휨보강을 위하여 사용되는 주철근의 일부 또는 전부를 생략할 수 있다고 제시하고 있다. 또한, 이를 기술적으로 뒷받침하기 위한 재료적 측면에서 성능기준을 구체적으로 제시하고 있다. 성능기준은 노치를 갖는 작은 SFRC 보의 휨파괴실험을 통하여 획득한 잔존휨강도(residual flexural strength)비로 표현되며, 휨균열 발생 이후에도 강섬유가 균열을 연결하고 있어서 충분한 인성을 발휘할 수 있는 성능기준을 제시하고 있다(fib MC 2010, 2010). 또한, 이밖에도 일반 RC 구조물의 설계에서 취성파괴를 방지하기 위하여 설정하고 있는 최소철근량을 SFRC를 사용할 경우 줄일 수 있다고 제시하고 있으며, 이를 위한 구조적 연성성능기준(ductility requirements)을 제시하고 있다. 이와 같이 유럽의 설계기준은 SFRC 활용에 대하여 매우 적극적이며 구체적이다. 국내에서는 강섬유보강 콘크리트의 시공에 대한 시공지침만 마련되어 있으며, 설계기준의 경우에는 ACI 318-11과 같이 최소전단철근의 예외규정에 한정하고 있다. 따라서, 터널 세그먼트와 같이 휨과 압축이 동시에 작용하는 구조의 경우 fib MC2010의 해당 규정을 통한 검증과 평가가 수반되어야 한다.
본 연구의 목적은 TBM 터널용 SFRC 세그먼트의 개발이며, 2011년부터 SFRC 배합과 구조적 성능에 대한 연구를 수행중이다. 2013년에는 40 MPa~60 MPa 강도수준의 다양한 강섬유로 보강된 SFRC 배합을 제시하고 각 배합에 대한 재료적 측면에서 성능기준의 만족여부를 조사한 바 있다(Moon et al., 2013). 본 연구에서는 재료적 성능기준을 만족하는 SFRC에 대하여 대형 휨 부재의 파괴실험을 수행하고, 하중-변위거동, 최대휨강도 및 균열 등을 조사함으로써, 그 성능을 평가하고자 하였다. 더불어 대형 보의 파괴후 단면을 조사하여, 강섬유의 분포상태를 육안조사하고, 휨공시체의 강섬유 분포도와 비교 분석하였다.
2. 휨 실험
2.1 재료 및 실험체 제작
본 실험을 위하여 사용된 SFRC 설계강도는 45 MPa 및 60 MPa이다. 실험체의 제작에 사용된 콘크리트의 골재는 최대치수 20 mm, 석산에서 채취한 부순모래를 사용하였다. 시멘트는 현대시멘트의 제 1종 포틀랜드 제품을 사용하였으며, 고로슬래그 미분말은 삼표기초소재에서 생산한 제품을 사용하였다. 혼화제는 폴리카르본산계를 변형시켜 조기성능이 확보될 수 있도록 수정한 삼표 준PC 혼화제를 사용하였다. 상세한 강도별 콘크리트 배합표는 Table 1과 같다.
각 배합에 대하여 굳지 않은 콘크리트의 슬럼프와 공기량을 측정하였다. 슬럼프는 설계강도 45 MPa 강섬유보강콘크리트는 50~80 mm, 60 MPa의 경우에는 60 mm인 것으로 나타났다. 실험체의 타설 중 각 배합에 대하여 150 mm × 300 mm의 표준공시체를 제작하였다. 모든 실험체는 증기양생실에서 양생되었으며, 모든 실험체의 제작에 사용된 콘크리트의 압축강도는 각 배합에 대하여 3개씩의 표준공시체를 제작하고 실험하였으며, 실험결과는 Table 2와 같다. 모든 실험체는 설계강도 이상의 압축강도를 나타내었다. 강섬유의 혼입량이 증가함에 따라 압축강도에는 큰 변화가 없는 것으로 나타났다.
SFRC 배합에 사용된 강섬유는 후크형 강섬유로서, 형상비는 64와 80으로 두가지의 강섬유가 사용되었다. 시험체 구분을 위하여 시험체명은 Table 2에 제시한 바와 같으며, 형상비 64의 강섬유는 A, 형상비 80의 강섬유는 C로 구분하였다. 강섬유의 혼입비는 0.25%, 0.37% 및 0.5%로 하였다. 이상과 같이 실험변수는 콘크리트강도, 강섬유의 형상비와 강섬유의 혼입비로서, Table 2에 정리한 바와 같다.
실험체는 제시한 8개의 각 변수에 대하여 2개의 실험체를 제작하였다. 총 16개의 보 실험체를 제작, 실험하였다. SFRC 보 실험체의 크기는 Fig. 1과 같다. 보 실험체의 길이는 3 m, 경간 길이는 2.6 m, 폭 320 mm, 높이 300 mm이다. 강섬유보강 콘크리트의 전단강도를 고려하여 a/h = 3.3로 설정하여 하중재하위치를 결정하고 4점 재하 실험을 수행하였다.
2.2 실험방법
하중재하는 강재프레임에서 100 kN의 엑츄에이터를 이용하여 4절점 재하를 실시하였다. 하중가력기 하부면에 로드셀을 설치하여 하중을 측정하였다. 하중재하 속도는 변위제어로 2 mm/min의 속도로 하중을 재하 하였으며, 하중값이 최대하중의 10% 이하가 되는 시점까지 실험을 실시하였다.
본 연구에서는 SFRC 보의 하중-변위 거동을 분석하였다. 이를 위하여 Fig. 1과 같이 보의 중앙부에 수직변위측정을 위한 LVDT를 설치하였다. 이와 같이 설치한 LVDT로부터 생성되는 데이터는 데이터로거(TDS-302)로 받아들여 컴퓨터를 이용하여 정리하였다. 또한, 보의 최대하중(최초균열 발견시점)에서 하중가력을 정지하고, 균열경을 이용하여 균열폭을 관찰한 후 하중가력을 재개하였으며, 시험체의 최종파괴(저항 하중이 최대하중의 10%에 도달하는 시점)이후 균열의 폭의 변화를 조사하였다. 시험종료 후 시험체의 최종파괴에 이르게 한 주균열 단면에 분포하고 있는 강섬유의 분포상태를 조사하였다. 분포상태는 육안조사 하였으며, 자세한 방법은 해당장에 제시하였다.
3. 실험결과
3.1 파괴모드
모든 실험체는 휨에 의해 파괴되었다. 1개 또는 2개의 휨균열이 등모멘트 구간에서 발생하여 성장하고, 최종파괴에 도달하였다(Fig. 2 참고). 강섬유의 혼입량과 강섬유의 종류에 따라 균열의 개수나 파괴양상의 변화는 발생하지 않았다.
3.2 하중-변위거동
Fig. 3은 하중과 중앙부의 수직변위 그래프를 나타내고 있다. 각 변수당 2개의 실험체로부터 획득한 하중-수직변위 결과를 평균하여 나타내었다. 하중상승부에서는 강성의 변화 없이 최대하중까지 선형적인 거동을 나타낸다. 최대하중에서 균열이 발생하면서 처짐의 증가와 함께 급격한 하중 감소가 나타났다. 주목할 것은 균열의 발생 이후 하중-변위 거동이다. 강섬유의 함유량이 증가할수록 균열발생 이후 하중감소가 완만한 것으로 나타났다. 이와 같은 경향을 설계강도별로 살펴보면, 설계강도 60 MPa 보다는 45 MPa SFRC에서 더욱 뚜렷하게 확인할 수 있다. 동일한 설계강도에서 강섬유의 형상비에 따른 차이는 거의 없는 것으로 확인되었다. 그러므로 휨공시체 수준(Moon et al., 2013)에서의 결과와 마찬가지로 대형 휨부재에서도 강섬유에 의한 인성증가 효과가 강섬유 혼입량이 증가할수록 증가한다는 것을 알 수 있다. 다만, 휨공시체 수준의 실험결과에서는 섬유의 형상비가 클수록 인성증가가 뚜렷하지만(Moon et al., 2013), 대형 부재실험의 결과에서는 강섬유 형상비의 영향을 명확하게 확인할 수 없다. 또한, 설계강도 60 MPa SFRC의 경우에는 균열발생 이후 인성 증가가 제한적인 것을 확인 할 수 있다.
3.3균열강도 및 균열폭, 최대휨강도모델과의 비교분석
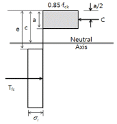
철근이 전혀 보강되지 않은 부재의 경우 균열강도가 곧 파괴강도이자 공칭강도이다. 본 장에서는 일반 콘크리트구조물에 적용하여 평가하고 있는 콘크리트의 휨균열강도식이 SFRC 보의 파괴강도를 평가하는데에도 잘 적용될 수 있는지를 평가하였다. 또한, SFRC 휨부재의 공칭강도 예측모델의 결과와 실험으로부터 획득한 SFRC 보의 실제 휨강도를 비교함으로서 기존 모델의 적정성을 평가하였다.
Table 3에는 실험으로부터 획득한 휨균열강도와 예측식에 의한 계산결과를 비교하여 나타내고 있으며, 초기와 최종파괴상태에서 실험체의 균열폭을 정리하여 나타내고 있다. 실험결과의 휨균열강도(Table 3의 ①)는 육안상으로 균열이 발생한 시점의 휨강도를 의미하며, 이론식에 의한 평가결과(Table 3의 ②)는 식 1에 의하여 계산된 결과이다. 강도비는 이론식 결과에 대한 실험결과의 비를 나타낸다.
(1)
상기 식 (1)에서
은 균열모멘트(kNm),
는 보의 폭과 높이(m),
은 휨균열강도(MPa)로서, 압축강도의 함수로 계산되며,
이다.
강도비 결과를 살펴보면, 설계강도 45 MPa의 SFRC의 경우 강도비가 1 ± 0.1 임을 알 수 있다. 즉, 평가치와 실험결과가 10% 이내에서 잘 일치하고 있음을 알 수 있다. 이는 휨균열강도
이 45 MPa 콘크리트의 휨균열강도를 잘 평가하고 있음을 의미한다. 반면, 설계강도 60 MPa의 SFRC의 경우 강도비가 1.27~1.40으로 실험결과가 예측치 보다 매우 큰 것으로 나타났다. 그러므로 상기 식 (1)은 45 MPa 설계강도의 SFRC의 균열강도 평가에는 유효하지만 60 MPa 이상인 경우 적용시 유의해야 할 것으로 판단된다.
균열폭 결과를 살펴보면, 최대하중에서 균열의 폭은 최소 0.1 mm에서 최대 0.8 mm의 균열이 발생하였다. 강섬유의 형상비와 혼입률, SFRC 설계강도에 의한 일관된 경향을 확인할 수는 없다. 최종상태에서 균열의 폭을 보면, 최소 0.8 mm에서 최대 7 mm까지 발생한 것을 확인할 수 있다. 즉, 7 mm 폭의 균열에도 강섬유가 성능을 발휘하고 있음을 알 수 있다. 이론상으로는 강섬유의 길이의 1/2에 해당하는 균열폭까지 하중저항이 가능하다고 볼 수 있다. A 강섬유의 길이는 35 mm 이므로 이론적으로 균열폭 17.5 mm까지 저항이 가능하며, 본 실험결과에서 7 mm는 40%에 해당한다.
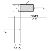
Table 4는 본 연구에서 수행한 SFRC 보 시험체의 휨파괴강도와 기준과 타 연구자의 공칭휨강도 모델을 통한 해석결과를 비교하여 나타내고 있다. 본 연구에서는 기존의 SFRC 공칭강도 예측모델식이 SFRC 보의 파괴강도를 적절하게 예측하는지를 검토하고자 하였다. 본 연구에서는 Fig. 4와 같이 ACI 544.4R-88 (ACI, 1999)에서 제시하고 있는 모델식과 영국의 TR No. 63 (Concrete Society, 2011)의 모델, 국내연구자인 Oh (2008)에서 제안하고 있는 Oh’s 모델을 적용하여 SFRC 보의 휨강도를 계산하였으며, 이를 Table 4에 비교하여 나타내었다. 주목할 것은 ACI와 Oh’s 공칭강도 모델은 일반철근과 강섬유가 동시에 보강된 휨부재의 공칭휨강도 계산식에서 이형철근의 항을 제외한 것이다. 한편, TR No. 63에서 제시하고 있는 모델식은 작은 보의 실험결과에 근거하여 수립된 공칭강도 모델식이다. 3개의 모델 모두 SFRC의 인장강도를 등가블럭을 이용하여 나타내고 있음을 알 수 있다. 상호 비교를 위하여 모델에 의하여 계산된 공칭강도에 대한 실험으로부터 획득한 휨파괴강도의 비를 Table 4에 나타내었다.
비교 결과, 상기 3개의 예측모델에 의한 공칭휨강도가 실제 휨파괴강도에 비하여 매우 작은 것을 확인할 수 있다. 비가 ACI와 Oh’s의 모델의 경우 실험결과가 예측모델 결과의 10배가 넘는 것으로 나타났다. 이는 ACI와 Oh’s의 모델에서 인장강도항은 SFRC의 인장강도를 크게 과소평가하기 때문이며, 설계강도를 산정함에 있어 강섬유의 분포도에 대한 영향을 고려할 수 없기 때문에 과도한 안전계수를 도입한 결과이다. 한편, 유럽의 TR No. 63의 경우 1.6에서 2.5의 비를 나타내는 것을 확인할 수 있으며, 다른 모델에 비하여 상대적으로 정확히 평가하고 있음을 알 수 있다. 이는 물론 인장강도항에 포함되어 있는
이 작은 보에 의하여 결정되는 값으로 강섬유보강콘크리트의 인장기여를 적절하게 평가하고 있기 때문이다.
3.4 강섬유 분포상태 분석
실험 종료후 파괴에 이르게 하는 주균열 면을 완전히 분리하여 단면에 분포하고 있는 강섬유 수를 조사하였다. Fig. 5와 같이 단면을 9등분하고 각 위치에 육안으로 보이는 강섬유의 개수를 카운팅하였다. 분리된 양단면을 모두 조사하여 평균하여 제시하였다. 분석은 시험체별로, 타설방향에 대한 층별로, 9개 구간의 위치별로 강섬유의 수와 평균치, 표준편차 및 변동치를 모두 조사 분석하였다. 강섬유의 평균수, 표준편차 및 변동치는 시험체의 제작에 있어 강섬유의 고른 배합을 확보할 수 있는지에 대한 객관적인 판단의 근거를 제시할 수 있으며, 강섬유의 수는 MC2010에서 제시하고 있는 강섬유의 방향계수
를 결정하는데 사용하였다.
Table 5는 단면에 분포된 강섬유수를 나타내고 있다. 강섬유의 수는 강섬유의 혼입률이 증가할수록 강섬유의 형상비가 적을수록 큰 것을 확인할 수 있다. 좌우 및 상하 위치별로 강섬유의 수가 크게 차이가 있지만, 층별로 분석할 때 강섬유의 수는 큰 차이가 없다. 같은 시험체에 대한 강섬유의 수도 큰 차이가 없는 것을 확인할 수 있다. 이를 보다 정량적으로 분석하기 위하여 평균 강섬유의 수, 표준편차와 변동계수를 비교, 고찰하였다(Table 6 참조).
동일한 시험체를 제작할 때, 시험체간의 강섬유 수에 대한 변동계수는 1.0%~15%임을 알 수 있다. 한편, 타설방향에 대하여 층별 변동계수는 3.6%~25.2%인 것으로 나타났다. 9개의 구간에 강섬유수의 변동계수는 10.6%~32.5% 임을 알 수 있다. 이와 같은 결과를 분석하면, 위치에 따른 강섬유수의 변동계수가 가장 크기 때문에 동일한 단면 내에서 강섬유의 쏠림이 발생하지만, 층별로는 쏠림이 크지 않고, 시험체간의 변동계수는 최대 15%로 감소한다는 것을 알 수 있다. 이와 같은 결과는 휨공시체 수준의 시험체 제작에서 강섬유의 분포상태 보다 매우 양호한 결과이다. Moon et al. (2013)의 결과에 따르면, 위치별, 층별 및 시험체별 강섬유분포 변동계수는 60%, 40%, 20%에 달하는 것으로 나타난 바 있다. 이와 같은 결과를 종합할 때, 구조체의 크기가 증가할 때, 강섬유의 분포상태도 양호해진다는 것을 예측할 수 있다.
Table 7은 fib MC2010에서 제시하고 있는 강섬유 방향계수(orientation factor)의 계산결과를 나타내고 있다. MC2020에 따르면, 방향계수(
)는 식 (2)에 의하여 계산할 수 있다. 식 (2)에서 N은 강섬유 수를 의미하며,
는 강섬유의 혼입률(Vol. %),
는 강섬유의 단면적(mm2)을 의미한다. MC2010에서는 노치를 갖는 보의 휨파괴실험을 통해 결정된 SFRC의 인장강도를 방향계수로 나눈 값을 설계인장강도로 사용할 것을 제안하고 있다. 따라서, 방향계수가 1보다 클 경우 인장강도는 작아지며, 1보다 작을 경우 인장강도는 증가한다. 본 실험체의 분석결과 강섬유의 방향계수는 모두 1보다 작은 것을 확인할 수 있다. 특히 A 강섬유의 경우 0.3정도로 가장 작으며, 형상비가 클수록 강섬유의 혼입비가 클수록 방향계수가 커지는 것을 확인할 수 있다.
(2)
4. 결 론
본 연구에서는 TBM 터널용 SFRC 세그먼트 개발을 위한 SFRC 배합의 성능평가를 위하여 이형철근이 보강되지 않은 SFRC 대형보의 휨파괴실험을 수행하였다. 두가지의 강섬유 형상비, 콘크리트강도 및 3가지의 강섬유 혼입률를 갖는 SFRC 배합으로 폭 320 mm, 높이 300 mm, 길이 3 m의 보를 제작하고, 휨파괴 실험을 수행하였다. 배합의 성능평가를 위하여 실험으로부터 획득한 하중-변위곡선, 최대휨강도, 균열폭과 강섬유의 분산도를 분석하였으며, 이를 통해 획득한 결론은 다음과 같다.
1.이형철근이 전혀 없는 강섬유 혼입률 0.25%~0.5%의 SFRC만으로 구성된 보는 휨균열강도에서 초기균열이 발생하고, 이후 변위의 증가와 함께 하중의 감소가 발생하는 전형적인 연화거동을 나타내었다. 이때, 강섬유의 혼입량이 증가할수록 균열발생 이후 변형에너지가 증가하는 것을 확인하였다. 따라서, 대형 보에서도 강섬유가 균열발생이후 구조체의 인성증가에 큰 영향을 주는 것을 확인하였다. 그러나 강섬유의 형상비가 증가할수록 인성이 증가하는 경향은 대형 보의 결과에서는 확인할 수 없었다.
2.MC2010에서 제시하고 있는 휨균열강도 예측식은 설계강도 45MPa의 SFRC의 결과와 매우 유사한 것으로 나타났으나, 설계강도 60 MPa SFRC의 결과와는 상당한 차이가 있는 것으로 나타났다. 따라서, 60 MPa 이상의 SFRC의 경우 휨균열강도의 평가를 위한 새로운 예측식이 필요하다.
3.균열폭을 검토한 결과, 최대하중에서 발생한 초기균열은 0.5 mm 이하이지만 극한하중상태(최대하중의 10%)에서 균열의 폭은 최대 7 mm까지 하중에 저항하고 있는 것으로 확인하였다. 이는 해당 강섬유 길이 절반의 40%에 해당하는 값이다.
4.SFRC 보의 최대휨강도를 기존의 SFRC 휨강도모델식의 결과와 비교, 평가하였다. 미국과 국내에서 제안한 휨강도 모델의 경우 SFRC의 설계인장강도를 크게 과소평가함으로서, 실험강도의 1/10에 불과한 것으로 나타났으나, TR No. 63의 경우 실험강도의 30%~50% 수준으로 비교적 유사한 휨강도를 나타내었다. 따라서, 이 모델식을 통해 적절한 강도의 예측과 평가가 가능하리라 판단된다.
5.실험 후 실험체를 분리하여 단면에 분포한 강섬유의 분산도를 분석하였다. 분석결과 휨공시체 수준의 보에서는 강섬유의 분산도가 강섬유의 형상비, 콘크리트 강도에 따라 크게 변화하며, 단면내에서 위치별로 층별로 몰리는 현상이 발견되었으나, 대형보의 분석결과에서는 매우 양호한 것으로 확인할 수 있었다. 따라서, 본 연구에서 사용된 SFRC 배합을 세그먼트에 적용할 경우 강섬유의 고른 분포가 가능할 것으로 판단된다.


)
)







(kNm)




: Aspect ratio,
: Coefficient of bond)


,
: Mix ratio)


